МК 812 навртка
        • МК 812 наврткаМК 812 навртка
        • МК 812 наврткаМК 812 навртка

        МК 812 навртка

        Xiaoguo® е кинески снабдувач на орев GB 812 што може да се пофали со одлична сила и издржливост. Самиот производ може да издржи екстремно тешки товари и да работи најдобро што може, а веројатно нема да се деформира при долготрајна употреба. Обидете се да ја изберете напредната навртка GB 812. Дефинитивно ќе бидете пријатно изненадени!

        Испрати барање

        Опис на производот

        Предмети за фабричка инспекција

        За да се обезбеди сигурност на произведените навртки, ние строго ќе спроведеме тестови во согласност со стандардот за навртки GB 812. Тестовите ќе се фокусираат на четири клучни аспекти: големина, перформанси, материјал и изглед.

        (1) Инспекција на димензија и точност

        Мерење на димензиите на обликот: Измерете го надворешниот дијаметар, внатрешниот дијаметар и вкупната висина на навртката. Измерените вредности не треба да го надминуваат опсегот на толеранција, а фотографиите треба да се направат за снимање.

        Инспекција на големината на отворот: проверете ја ширината, длабочината и дијаметарот на жлебот или засекот за да се обезбеди добро вклопување со алатката што се користи.

        (2) Инспекција на точноста на конецот

        Инспекција на мерач на навој: Тестот се спроведува со помош на „мерач на навој (GO)“ и „мерач за запирање (NO-GO)“. Квалификуваниот стандард е како што следува: Мерачот на навој треба да може да се вметнува непречено и целосно, додека мерачот за запирање може да се вметне најмногу 2 вртења.

        Мерење на параметарот на конецот: Со помош на прецизни инструменти дополнително се мерат средниот дијаметар, отстапувањето на чекорот и аголот на спиралата на конецот.

        GB 812 Nut

        (3) Тестирање на механички перформанси

        Тест на цврстина: Користете Rockwell (HRC), Brinell (HBW) или Vickers (HV) тестер за цврстина за да ја измерите цврстината на крајната страна или на страната на навртката GB 812.

        Други тестови за изведба: Во зависност од барањата за примена, може да се спроведат дополнителни тестови како што се цврстина на истегнување, цврстина на удар и век на замор за сеопфатна евалуација на неговите механички својства.

        (4) инспекција на квалитетот на површината и материјалот

        Анализа на составот на материјалот: Преку методи како што е спектроскопска анализа, беше потврден материјалот на навртката.

        Инспекција на површинска обработка:

        Изглед и дефекти: Испитувајте под добро осветлување користејќи визуелна инспекција или лупа. Пукнатини, бруси, набори, 'рѓа итн., кои можат да влијаат на силата, не смеат да бидат присутни.

        Квалитет на облогата: Ако производот претрпел третмани како што се галванизација, оцрнување или премачкување со Дакромет, треба да се тестираат дебелината на облогата (со помош на мерач за дебелина), адхезијата (како што е тестот за гребење) и отпорноста на корозија (преку тест со прскање со сол).

        GB 812 Nut

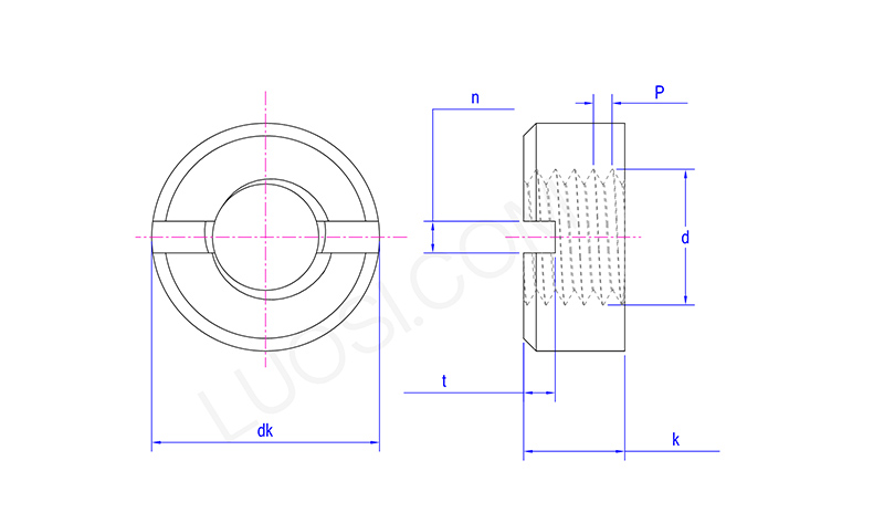
        Пон М3.5 М4 М5 М6 М8 М10 М12 М14 М16 М18 М20
        P 0.6 0.7 0.8 1 1.25 1.5 1.75 2 2 2.5 2.5
        dk макс 7 8 9 11 14 18 21 24 26 29 32
        dk мин 6.64 7.64 8.64 10.57 13.57 17.57 20.48 23.48 25.48 28.48 31.38
        k макс 3 3.5 4.2 5 6.5 8 10 11 12 13 14
        к мин 2.75 3.2 3.9 4.7 6.14 7.64 9.64 10.57 11.57 12.57 13.57
        n мин 1.46 1.46 2.06 2.56 3.06 3.57 4.07 4.07 4.07 4.07 5.07
        n макс 1.71 1.71 2.31 2.81 3.31 3.87 4.37 4.37 4.37 4.37 5.37
        т мин 1 1.2 15 2 2.5 3.2 3.8 3.8 3.8 4.8 4.8
        т макс 1.40 1.60 1.90 2.4 3 3.7 4.3 4.3 4.3 5.5 5.5

        Пакување

        За фабричкото пакување на навртката GB 812, ќе го следиме стандардот GB/T 90.2. Клучните барања се да се осигура дека етикетите на производите се целосни, амбалажата е цврста и може да ги издржи влијанијата од околината за време на транспортот и складирањето.

        (1) Третман против 'рѓа: Производите без облога мора да бидат обложени со средство против 'рѓа.

        (2) Форма на пакување: Повеќе пластични кутии/торби, кеси/филм против 'рѓа. Надворешното пакување обично е направено од плетени кеси, картонски кутии или дрвени кутии (за посебни барања како извоз може да се користи пакување по нарачка)

        (3) Јачина на пакувањето: Во согласност со научни, цврсти и економични принципи, избегнувајќи оштетување за време на транспортот (ние ќе ги одредиме конкретните детали со вас)

        (4) Содржина на етикетата: производител, име на производ, стандардна ознака, количина/нето тежина, датум на производство, ознака за квалитет итн.

        (5) Формат на етикета: Без ограничувања (печатење/втиснување/врзување/лепење се прифатливи)

        Жешки тагови: МК 812 Орев, Кина, Производител, Добавувач, Фабрика
        Поврзана категорија
        Испрати барање
        Ве молиме слободно дајте го вашето барање во формата подолу. Ќе ви одговориме за 24 часа.
        X
        Ние користиме колачиња за да ви понудиме подобро искуство во прелистувањето, да го анализираме сообраќајот на страницата и да ја персонализираме содржината. Со користење на оваа страница, вие се согласувате со нашата употреба на колачиња. Политика за приватност
        Отфрли Прифати