Дома > Производи > Орев > Тркалезна навртка > Тркалезни навртки со дупчиња со целосно навој
        Тркалезни навртки со дупчиња со целосно навој
        • Тркалезни навртки со дупчиња со целосно навојТркалезни навртки со дупчиња со целосно навој
        • Тркалезни навртки со дупчиња со целосно навојТркалезни навртки со дупчиња со целосно навој

        Тркалезни навртки со дупчиња со целосно навој

        Тркалезни навртки со целосно навој се дизајнирани со засеци на нивниот надворешен раб за употреба со клучеви за иглички. Денес, многу клиенти ги купуваат овие производи од Кина XIAOGUO бидејќи се исплатливи и имаат стабилно и сигурно снабдување.

        Испрати барање

        Опис на производот

        Инструкции за употреба на производот

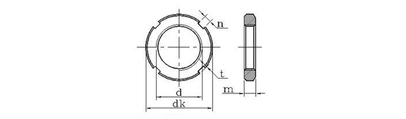
        Кружни навртки со дупчиња со целосно навој - тие се дефинирани според стандардите како што е DIN 546 и главно се користат за постигнување сигурна врска за прицврстување и можат да издржат вибрации. Главната карактеристика на овие навртки лежи во отворите исечени на едниот крај од навртката. Еве како да ги користите: Прво, зашрафете ја навртката на претходно издупчена завртка или обетка и затегнете ја до саканата положба. По затегнување, порамнете го отворот со дупката на вратилото на завртката. Конечно, вметнете отворена игла (мило за заклучување) или безбедносна линија низ подредениот отвор и дупка за завртките, а потоа свиткајте ги краевите на иглата за да се обезбеди сигурно прицврстување. Така, во присуство на вибрации, навртката нема да се олабави.

        Пакување на производи

        Врз основа на нашите резултати од истражувањето, нудиме опсег на тркалезни навртки со целосно навој, кои се многу погодни за индустриски апликации. Нивното пакување во кеси или кутии е вообичаен и практичен метод. Секоја кеса обично содржи одреден број на јаткасти плодови, како на пример 100 по кеса. Оваа форма во вреќи е погодна за транспорт, броење на залихи и дистрибуција на работилницата или лентата за склопување. Пакувањето е обично проѕирно или има етикети, што ви овозможува брзо да го идентификувате видот и големината на навртките. Ако сте производител или голем купувач, ние исто така можеме да обезбедиме поголеми количини картонска амбалажа или да го прилагодиме пакувањето според вашите барања. Ова помага да се намалат трошоците и да се направи вашиот синџир на снабдување да работи понепречено.

        Сесија за прашања и одговори

        Од кои материјали обично се направени вашите кружни навртки со целосно навој?

        О: Ние обично ги правиме нашите ореви од јаглероден челик за општа употреба. Имаме и опции од не'рѓосувачки челик (одделение 304 и 316) ако ви треба нешто што е отпорно на 'рѓа, и месинг за немагнетни апликации. Само изберете го материјалот за навртките врз основа на она што конкретно се однесува на вашата околина и механички потреби.

        Fully Threaded Slotted Round Nuts


        единица: mm
        d*P дк m n t Квалитет на 1000 челични производи≈kz d*P дк m n t Квалитет на 1000 производи од челик≈kg
        макс мин макс мин макс мин макс мин
        М10*1 22 8 4.3 4 2.6 2 16.82 М64*2 95 12 8.36 8 4.25 3.5 351.9
        М12*1,25 25 21.58 М65*2 95 342.4
        М14 * 1,5 28 26.82 М68*2 100 10.36 10 4.75 4 380.2
        М16*1,5 30 5.3 5 3.1 2.5 28.44 М72*2 105 15 518
        М18*1,5 32 31.19 М75*2 105 477.5
        М20*1,5 35 37.31 М76*2 110 562.4
        М22 * 1,5 38 10 54.91 М80*2 115 608.4
        М24 * 1,5 42 68.88 М85*2 120 640.6
        М25*1,5 42 68.88 М90*2 125 18 12.43 12 5.75 5 796.1
        М27*1,5 45 75.49 М95*2 130 834.7
        М30*1,5 48 82.11 М100*2 135 873.3
        М33*1,5 52 6.3 6 3.6 3 93.32 М105*2 140 895
        М35*1,5 52 84.99 М110*2 150 14.43 14 6.75 6 1076
        М36*1,5 55 100.3 М115*2 155 22 1369
        М39*1,5 58 107.3 М120*2 160 1423
        М40*1,5 58 109.5 М125*2 165 1477
        М42*1,5 62 121.8 М130*2 170 1531
        М45*1,5 68 153.6 М140*2 180 26 1937
        М48*1,5 72 12 8.36 8 4.25 3.5 201.2 М150*2 200 16.43 16 7.9 7 2651
        М50*1,5 72 186.8 М160*3 210 2810
        М52*1,5 78 238 М170*3 220 2970
        М55*2 78 214.4 М180*3 230 30 3610
        М56*2 85 290.1 М190*3 240 3794
        М60*2 90 320.3 М200*3 250 3978





        Жешки тагови: Целосно навојни тркалезни навртки, Кина, производител, добавувач, фабрика
        Поврзана категорија
        Испрати барање
        Ве молиме слободно дајте го вашето барање во формата подолу. Ќе ви одговориме за 24 часа.
        X
        Ние користиме колачиња за да ви понудиме подобро искуство во прелистувањето, да го анализираме сообраќајот на страницата и да ја персонализираме содржината. Со користење на оваа страница, вие се согласувате со нашата употреба на колачиња. Политика за приватност
        Отфрли Прифати