Овие обетки со заковани ОН за ПХБ плоча обично се направени од добри челични легури, како што се нискојаглероден или нерѓосувачки челик или алуминиум. Имаат солидна механичка сила и добро се држат со текот на времето.
Челичните нудат најголема цврстина на истегнување и смолкнување. Алуминиумските, пак, убаво спроведуваат струја и се лесни.
Избраниот метал за овие столпчиња значи дека тие можат да се справат со тешки механички оптоварувања, стрес од циклусите на греење и ладење и да останат силни цело време кога производот е во употреба.
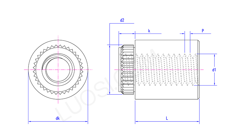
Закованата обетка на ОН за ПХБ-плочка е постојан прицврстувач со висока јачина што се користи за да обезбеди сигурна надворешна точка за фиксирање со навој на печатените плочки (ПКБ). Овде, „UN“ обично претставува „Униформен национален стандард“, што се однесува на стандардизираниот тип на навој за завртки што го поседува (како UNC или UNF), што ја обезбедува неговата компатибилност со различни стандардни навртки.
Процесот на инсталација е брз и ефикасен. Вметнете ја обетката во претходно издупчената дупка на плочата за ПХБ. Потоа, користете наменска алатка за занитување за да го деформирате рамниот крај на обетката, предизвикувајќи таа да се прошири нанадвор и цврсто да се зафати помеѓу главата на занитвам и рамото или прирабницата на обетката, со што се формира силна и отпорна на вибрации врска без потреба од заварување.
Овој метод е особено погоден за сценарија кои бараат издржување на голем механички стрес, потреба од повеќекратни операции на приклучување или каде што топлината што се создава со заварување може да ги оштети чувствителните компоненти.
Овие заковани нитни на ОН за плоча за ПХБ се ставаат со помош на метод на ладно формирање или заковување.
Ја залепувате обетката низ претходно издупчена дупка во ПХБ. Потоа, специјален алат за заниткување го свиткува стеблото на обетката против матрицата под таблата, создавајќи трајна, разгорена брава што ја држи на место.
Методот на ладна обработка генерира помалку топлина и нема да го оштети ламинатот или колото на ПХБ. Кога се правилно монтирани, столпчињата обезбедуваат силна и отпорна на вибрации фиксација без да се загрози структурата на колото.

| Пазар | Приходи (претходна година) | Вкупен приход (%) |
| Северна Америка | Доверливо | 20 |
| Јужна Америка | Доверливо | 4 |
| Источна Европа | Доверливо | 24 |
| Југоисточна Азија | Доверливо | 2 |
| Африка | Доверливо | 2 |
| Океанија | Доверливо | 1 |
| Средниот Исток | Доверливо | 4 |
| Источна Азија | Доверливо | 13 |
| Западна Европа | Доверливо | 18 |
| Централна Америка | Доверливо | 6 |
| Северна Европа | Доверливо | 2 |
| Јужна Европа | Доверливо | 1 |
| Јужна Азија | Доверливо | 4 |
| Домашен пазар | Доверливо | 5 |