Тенката висина напреовладува вртежен момент од шестоаголни тенки наврткисе вклопува таму каде што нема да се сместат гломазните навртки. Лесно е да се монтира со основни алатки и бидејќи се заклучува самостојно, нема потреба да додавате делови како што се подлошки за заклучување.

ќе најдетепреовладува вртежен момент од шестоаголни тенки наврткиво автомобилски склопови (како држачи за мотор или менувачи), воздушна (обезбедување на лесни панели) и електроника (прицврстување на кола или мали компоненти). Тие исто така се користат во роботиката, медицинските уреди и системите за климатизација - секаде каде што просторот е тесен и вибрациите ги загрозуваат обичните навртки.
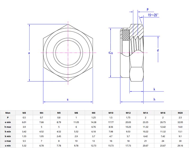
Овиепреовладува вртежен момент од шестоаголни тенки наврткисе тенки, но цврсти. Тие работат со нормални клучеви и користат стиснати навои или најлонски парчиња за цврсто да ги држат завртките. Направени од тешки челик или метали отпорни на 'рѓа. Одлични за тесни простори или слоевити поставувања бидејќи се толку рамни. Главата горе: Ако ги одвртите, тие ја губат моќта на заклучување - фрлете ги по употреба.

| Пазар |
Вкупен приход (%) |
| Северна Америка |
16 |
| Источна Европа |
21 |
| Југоисточна Азија |
3 |
| Средниот Исток |
5 |
| Источна Азија |
20 |
| Западна Европа |
15 |
| Централна Америка |
6 |
| Јужна Азија |
5 |
| Домашен пазар |
9 |
Шестоаголни тенки навртки со преовладувачки вртежен моментбезбедни сензори во тесен простор, останувајќи затегнат и покрај вибрациите на моторот. Или фабричка роботска рака - овие навртки ги држат спојниците заклучени без да додаваат волумен. Дури и во домашните апарати како микробрановите, тие ги прицврстуваат внатрешните делови што не можат да си дозволат да штракаат. Едноставна поправка, големо влијание.