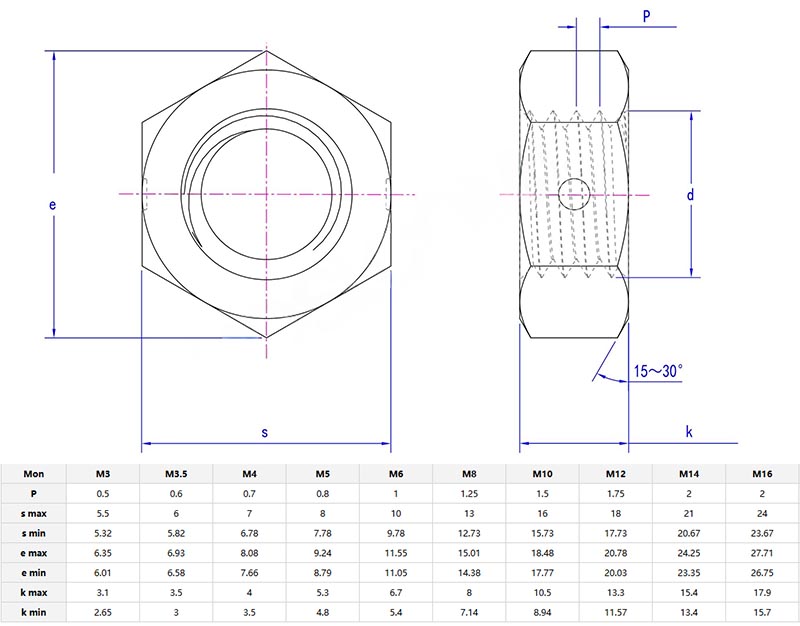
Наметрички сите метални хексадецимални оревикористи деформирана нишка или дизајн на конус, што создава триење за да спречи олабавување. Материјалите како што се челик од одделение 8 или не'рѓосувачки челик A4 се отпорни на 'рѓа и можат да издржат висок вртежен момент. Шестоаголната форма може да се користи со стандардни метрички алатки.
Наметрички сите метални хексадецимални оревие прицврстувач за тешки точки изработени целосно од метал (како челик или не'рѓосувачки челик) за употреба со завртки со метричка големина. Неговата хексагонална форма одговара на стандардни клучеви, а сето металното градење се справува со голема топлина, тешки товари или корозивни околини каде што пластичните делови не успеваат.

Зошто да ја изберете метриката сите метални хексадецимални ореви?
Наметрички сите метални хексадецимални оревие изграден тешко. Ол-металниот дизајн ги издржува екстремните температури (како што се издувните системи) и грубите хемикалии. Ниту еден најлон вметнува за да се стопи или да се истроши, само вртете го надолу, и останува ставено. Повторно употребувајте повеќе пати ако е неоштетено, и работи во мрсна или мрсна услови каде што се лизгаат другите ореви.
Метрички сите метални хексадецимални оревинајчесто се користи во автомобилското производство (блокови на мотори, турбо полначи), тешки машини (кранови, преси) и опрема за нафта/гас (цевки, вентили). Фабриките го користат за да направат печки со висока температура, а воздушната простор ги користи за да направи панели отпорни на топлина. Може да се користи на места каде што пластичните брави не работат.
| Пазар |
Вкупен приход (%) |
| Северна Америка |
15 |
| Јужна Америка |
3 |
| Источна Европа |
21 |
| Југоисточна Азија |
5 |
| Среден исток |
5 |
| Источна Азија |
15 |
| Западна Европа |
17 |
| Централна Америка |
5 |
| Северна Европа |
6 |
| Јужна Азија |
8 |
За разлика од најлонските вметнуваат ореви,метрички сите метални хексадецимални оревиНема да се стопи во голема топлина или да се деградира во хемикалиите. Чини повеќе однапред, но може да заштеди пари на долг рок со намалување на бројот на замени. Тоа е очигледен материјал за тешка машинерија, мотори или конструкција на отворено, металот е потрајен кога пластиката не успее.