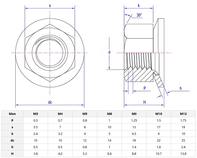
Склоп на шестоаголни навртки и конусна мијалникsпогоден за нерамни или аголни површини.Шестоаголни наврткиОбезбедете стандардни навои за завртките, додека заострените подлошки се приспособуваат на соодветниот наклон или простор за безбедност.

Нашестоаголни навртки и конусни склопови за перењесе одликува со стандарден навој, додека заострената мијалник има аголна површина што овозможува прилагодување до 10-15 степени. Широката основа на машината за перење рамномерно го распределува товарот, а склопот работи или со метрички или со царски завртки. Поголема е од рамна машина за перење, но ги решава предизвиците за усогласување.
Користетешестоаголни навртки и конусни склопови за перењеesда се обезбедизаврткина коси или неправилни површини. Може да монтира држачи на наклонети челични греди, да инсталира опрема на нерамен бетон или да ги зацврсти машинските ногарки на карпести подови. Исто така, го олеснува доградувањето на постарите структури со површини што се таложат или виткаат со текот на времето.
Hекс навртки и конусни склопови за перењесе вообичаени во градежништвото (челични греди, скелиња), шинските системи (прицврстување на пругата) и земјоделските машини (приклучоци на нерамен терен). Тие исто така се користат во столбови за комунални услуги, држачи за соларни панели и проекти за „направи сам“ како што е градење на палубата. Секаде каде што завртките се среќаваат со аголни или груби површини, оваа комбинација ги држи работите цврсти.

| Пазар |
Вкупен приход (%) |
| Северна Америка |
10 |
| Источна Европа |
23 |
| Југоисточна Азија |
3 |
| Средниот Исток |
5 |
| Источна Азија |
18 |
| Западна Европа |
15 |
| Централна Америка |
6 |
| Јужна Азија |
5 |
| Домашен пазар |
15 |
Хексадетични навртки и конусни склопови за перењеимаат ниски трошоци за одржување, а само треба да проверите дали производот е рѓосан или дали машината за перење е деформирана кога ја користите. Свитканата заптивка треба да се замени за да се одржи стисокот. Тие не се погодни за екстремни агли (повеќе од 15 степени) или тешки ротирачки оптоварувања. Тие се исплатливо решение за повеќето неурамнотежени работни места.