Природните карактеристики на пластичните штипки за занитници кои се прошируваат го прават добар за посебни, специфични намени. Бидејќи не спроведува електрична енергија, тоа е навистина важно во електрични кутии и области со висок напон. Не создава искри, што е навистина потребно на места каде што може да се случат експлозии (зони ATEX).
Исто така, не можете без него во просториите за магнетна резонанца и чувствителна електроника, места каде што дури и мали магнетни полиња од метални иглички едноставно не се дозволени.

Добрите пластични штипки за занитници кои се прошируваат поминуваат низ строги тестови за да се уверат дека работи доследно. Овие тестови проверуваат работи како што се точноста на големината, колку може да се повлече, колку добро се справува со удари и дали работи со различни хемикалии.
Пластичните иглички на Xiaoguo® се произведени според индустриските стандарди со користење на материјали кои ги исполнуваат одредените барања, обезбедувајќи перформанси. Тие безбедно и безбедно ги држат предметите на место за нивната намена. Во споредба со металните иглички, пластичните се поотпорни на корозија и отпорни на 'рѓа.

Пон
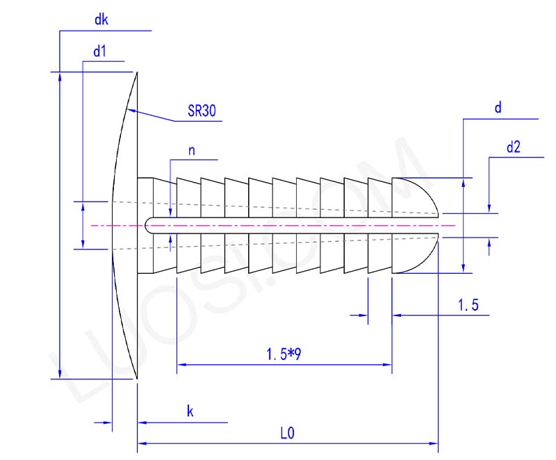
Φ6
Φ8
Φ10
d макс
6
8
10
г мин
5.8
7.8
9.8
dk макс
16.2
16.2
18.2
dk мин
15.8
15.8
17.8
k макс
1.6
1.6
2.1
к мин
1.4
1.4
1.9
L0
20
20
22
d1
3
4
5
d2
1.5
2
3
n
1
1
1.5
Нашите стандардни пластични штипки за заковки кои се прошируваат се направени од материјали кои се во согласност со главните меѓународни регулативи, вклучувајќи ги RoHS и REACH. Ние исто така нудиме верзии сертифицирани од FDA за апликации за контакт со храна. Сертификатите за усогласеност се достапни на барање.
Нашите материјали се внимателно избрани според светските стандарди за време на производството, обезбедувајќи усогласеност со релевантните стандарди за квалитет и обезбедувајќи безбеден извоз и широка употреба низ целиот свет.