Дома > Производи > Делови за заниткување > Пластична занишка > Проширување на клипови за занитвам Притисни тип
        Проширување на клипови за занитвам Притисни тип
        • Проширување на клипови за занитвам Притисни типПроширување на клипови за занитвам Притисни тип
        • Проширување на клипови за занитвам Притисни типПроширување на клипови за занитвам Притисни тип
        • Проширување на клипови за занитвам Притисни типПроширување на клипови за занитвам Притисни тип
        • Проширување на клипови за занитвам Притисни типПроширување на клипови за занитвам Притисни тип
        • Проширување на клипови за занитвам Притисни типПроширување на клипови за занитвам Притисни тип

        Проширување на клипови за занитвам Притисни тип

        Xiaoguo® испорачува сврзувачки елементи за различни индустриски сектори. За разлика од металните иглички, проширувачките штипки за занитвам притискање нудат одлична отпорност на корозија и електрична изолација.
        Модел:Q 692.1-1999

        Испрати барање

        Опис на производот

        Основниот материјал веќе дава добра заштита, но одредени површински третмани може да го подобрат типот на туркање на штипките за проширување на занитниците.

        Додавањето боја преку главна серија пигменти кога обликувањето е вообичаено, помага лесно да се разликуваат различни големини или спецификации. Некои типови имаат вградени УВ стабилизатори, кои добро функционираат за долготрајна надворешна употреба.

        За разлика од металните иглички, на телото на пластичното раздвоено игла не му треба галванизација или галванизација. Самиот главен полимер има доволно природен отпор за да се справи со околината.

        Достапни големини

        Големината на типот на туркање на штипки за занитници кои се прошируваат обично се дава според дијаметарот и должината на стеблото. Тие ги следат стандардните метрички големини, како 2mm*20mm, 3mm*30mm или царските, како што се 1/16" *3/4", 3/32"*1".

        Сплит дизајн дава малку флексибилност, така што може да одговара на мали разлики во големини на дупки.

        Тие доаѓаат во различни дијаметри и должини, што значи дека работат за многу различни потреби за тежина и дебелини на склопување.

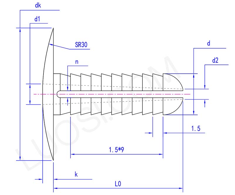
        expanding rivet clips push type parameter

        Пон
        Φ6 Φ8
        Φ10
        d макс
        6 8 10
        г мин
        5.8 7.8 9.8
        dk макс
        16.2 16.2 18.2
        dk мин
        15.8 15.8 17.8
        k макс
        1.6 1.6 2.1
        к мин
        1.4 1.4 1.9
        L0
        20 20 22
        d1
        3 4 5
        d2
        1.5 2 3
        n
        1
        1 1.5

        Отпорен на корозија

        П:Како отпорноста на корозија на типот на туркање на вашата штипка за занитување се споредува со металните иглички, особено во сурови или морски средини?

        О: Нашиот тип на туркање со штипки за занитници што се прошируваат нема да рѓосуваат или кородираат. Металните иглички се подложни на 'рѓа, корозија и потенцијални негативни реакции со други метали. Нашата пластична верзија, сепак, не е под влијание на влага, спреј за сол, разни хемикалии и киселински и алкални раствори.

        Значи, тој е совршен за места каде што нештата вообичаено го јадат металот. Размислете за чамците (морските работи), хемиските погони, опремата на отворено, секаде каде што корозијата е главоболка. Во основа, типот на притискање со клип за занитници што се проширува трае подолго и останува сигурен. Нема да добиете запленети или ослабени иглички само поради околината во која се наоѓаат.


        Жешки тагови: Проширен тип на притисни клипови за занитвам, Кина, производител, добавувач, фабрика
        Поврзана категорија
        Испрати барање
        Ве молиме слободно дајте го вашето барање во формата подолу. Ќе ви одговориме за 24 часа.
        X
        Ние користиме колачиња за да ви понудиме подобро искуство во прелистувањето, да го анализираме сообраќајот на страницата и да ја персонализираме содржината. Со користење на оваа страница, вие се согласувате со нашата употреба на колачиња. Политика за приватност
        Отфрли Прифати