Дома > Производи > Делови за заниткување > Пластична занишка > Проширување на клип за занитвам
        Проширување на клип за занитвам
        • Проширување на клип за занитвамПроширување на клип за занитвам
        • Проширување на клип за занитвамПроширување на клип за занитвам
        • Проширување на клип за занитвамПроширување на клип за занитвам
        • Проширување на клип за занитвамПроширување на клип за занитвам
        • Проширување на клип за занитвамПроширување на клип за занитвам

        Проширување на клип за занитвам

        Шипката за занитници што се проширува е пластичен прицврстувач кој се вградува со вметнување на неговите флексибилни огради низ дупка и потоа одвојување на Xiaoguo® е производител со повеќе од десет години професионално искуство во индустријата за прицврстувачи. Ние сме во можност да доставиме навреме без разлика на големината на нарачката.
        Модел:QC/T 350-1999

        Испрати барање

        Опис на производот

        Најчестите материјали за сигурно проширување на клиповите за занитвам се најлон 6/6 зајакнат со стакло и ацетален кополимер (POM). Најлон 6/6 е појак и подобро се справува со топлината. POM добро ја одржува својата форма, не се трие многу и се држи до повторна употреба без да се истроши.

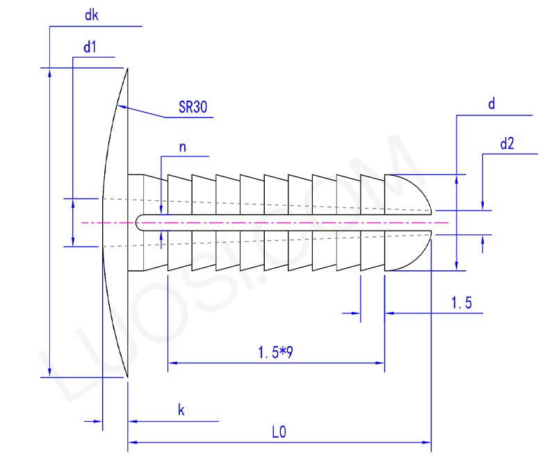
        expanding rivet clip parameter

        Пон
        Φ6 Φ8
        Φ10
        d макс
        6 8 10
        г мин
        5.8 7.8 9.8
        dk макс
        16.2 16.2 18.2
        dk мин
        15.8 15.8 17.8
        k макс
        1.6 1.6 2.1
        к мин
        1.4 1.4 1.9
        L0
        20 20 22
        d1
        3 4 5
        d2
        1.5 2 3
        n
        1 1 1.5

        Оваа инженерска пластика гарантира дека телото со разделен иглички работи добро под механички стрес и тешки услови. За разлика од поевтината пластика, тие не се распаѓаат лесно.

        Одржување

        Одржувањето на проширувачките штипки за занитници е едноставно. Изработени од пластика отпорна на корозија, тие нема да рѓосуваат, со што се елиминира потребата од средства или масла против 'рѓа. Пред употреба, проверете ги за оштетувања, како што се пукање, деформација или кршливост или белење од продолжено изложување на сончева светлина. Замената е лесна; не се потребни посебни алатки. Едноставно извлечете ја старата штипка за нозете и заменете ја со нова. Лесен за користење. Редовно проверувајте ја состојбата на спојката за занитвам и веднаш заменете ја.

        Дали сте отпорни на УВ деградација за продолжена употреба на отворено?

        Нашите стандардни штипки за заковки кои се зголемуваат имаат вградени УВ блокатори веднаш кога ги правиме. Дури и ако се изложени на сончева светлина долго време, тие нема да се исуши, да стане кршливо или лесно да пукне.

        Таа заштита од ултравиолетови зраци ги одржува да ја вршат својата работа, да останат силни, флексибилни и да се држат цврсто, дури и во груби работи на отворено. Размислете за трактори, копачи, соларни панели, опрема за фарми, итн. Во споредба со обичната пластика без неа, овие едноставно траат подолго без да треба да се расправате околу нив.


        Жешки тагови: Проширување на клип за занитвам, Кина, производител, добавувач, фабрика
        Поврзана категорија
        Испрати барање
        Ве молиме слободно дајте го вашето барање во формата подолу. Ќе ви одговориме за 24 часа.
        X
        Ние користиме колачиња за да ви понудиме подобро искуство во прелистувањето, да го анализираме сообраќајот на страницата и да ја персонализираме содржината. Со користење на оваа страница, вие се согласувате со нашата употреба на колачиња. Политика за приватност
        Отфрли Прифати