Зајака за заклучување со фиксација на завртки, можете да изберете материјали врз основа на она што ви треба. Јаглеродниот челик (како SAE 1070/1095) се користи кога ви треба силен материјал за тешки работи. Нерѓосувачкиот челик (AISI 304/316) работи добро на места каде што работите може да рѓосат или кородираат. Легурите на титаниум се добри за воздухопловните работи каде што им требаат лесни, но силни. Има и специјални работи како Inconel® за ситуации со екстремни температури, или навистина жешки или навистина ладни.
Тие внимателно го тестираат секој материјал за да се уверат дека се држи - проверуваат колку може да се истегне без да се скрши (до 1500 MPa) и колку абење може да поднесе со текот на времето. Разновидноста на материјали значи дека овој прстен за задржување може да работи во многу различни средини, од супер ладни места до фабрики со висока топлина.
Грижата зајака за заклучување со фиксација на заврткизначи редовни проверки на затегнатоста на завртките, абењето на површината или 'рѓата. За време на одржувањето, затегнете ги завртките до препорачаниот вртежен момент од производителот (обично 20-50 Nm). Користете нежни средства за чистење за да ги избришете остатоците и ставете малку маснотии против заглавување на конците за полесно да се расклопат подоцна. Ако видите пукнатини или прстенот е погрешен, заменете го. Чувајте ги прстените на суво место со контролирана температура за да не се оштетат пред да ги монтирате. Одржувањето во тек со оваа рутина им помага да работат најдобро и може да ги направи да траат до 30% подолго.

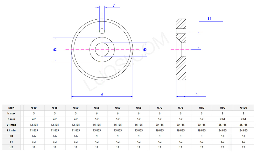
П: Како да ја одредам точната големина на ајака за заклучување со фиксација на заврткиза мојот дијаметар на вратило?
О: Избор на деснојака за заклучување со фиксација на заврткизависи од дебелината на вратилото (OD) и типот на навојот. Започнете со мерење на дебелината на вратилото и споредете ја со водичот за големина на производителот. Клучни работи што треба да се забележат: внатрешната големина на јаката треба да одговара на навоите на вратилото, големината на завртките и колку е густа јаката. Ако вашата оска не е навојна, прво ќе треба да додадете нишки. Секогаш проверувајте дали нишките се метрички или царски - нивното мешање предизвикува главоболки. За шахтите со чудна големина, постојат прилагодени јаки, но за нив ќе биде потребно дополнително време и пари.
Нашите јаки за заклучување фиксирани со завртки главно се направени од јаглероден челик. Го избираме овој материјал затоа што има добра цврстина и отпорност на абење, што може да ги задоволи основните потреби за употреба на производот.
Пред да излезат производите од фабриката, ги премачкуваме нивните површини со слој против 'рѓа. Овој третман не дозволува рѓосување на јаките кога се користат во влажни средини или се чуваат долго време.
Имаме и опционални материјали како нерѓосувачки челик, за клиенти на кои им е потребна подобра отпорност на корозија. Дебелината на материјалот на производот е дизајнирана врз основа на стандардните барања за носење, така што нема да се деформира или скрши при нормална употреба.
Делот за завртки е направен од истиот материјал како и јаката, така што целиот производ има постојани перформанси и стабилност.
Трошоците за испорака за нашите јаки за заклучување фиксирани со завртки зависи од тоа каде ги испраќате, кој начин на испорака ќе го изберете и колку ќе нарачате.
Ако одите со стандардна логистика, цената е помала, но испораката трае малку подолго - обично 3 до 7 работни дена. За брза нарачка, можете да изберете брза испорака, но тоа ќе чини повеќе. Точната доплата зависи од тоа колку далеку треба да оди пратката.
Кога вашата нарачка ќе достигне одредена количина, ние ќе ги покриеме трошоците за испорака за вас. Секој производ е мал и лесен, така што дури и нарачките во мали серии нема да имаат супер високи трошоци за испорака.
Пред да испорачаме нешто, правилно ќе ги спакуваме јаките за да спречиме оштетување за време на транзитот. И овој трошок за пакување е веќе вклучен во таксата за испорака - не мора да плаќате дополнително за тоа.
Ако сакате да ги знаете точните трошоци за испорака, само прашајте го нашиот тим за услуги на клиентите. Тие ќе го пресметаат врз основа на вашите специфични детали за нарачката.
П: Колкав е MOQ и времето на испорака за вашата јака за заклучување со фиксирање на завртки, и дали нудите попусти за нарачка на големо?
О: Минималната количина на нарачка (MOQ) за стандардна јака за заклучување со фиксирање на завртки е 300 парчиња, со време на испорака од 7–10 работни дена за редовни нарачки. За нарачки на големо над 5000 парчиња, нудиме повеќекратни попусти (3%–10% попуст) за да ги намалиме вашите трошоци за набавка. Прилагодената јака за заклучување со фиксирање на завртки има MOQ од 500 парчиња и времетраење од 12–18 работни дена, вклучувајќи валидација на примерокот и распоред на производство.
Прстен за заклучување на завртки со завртка за поставување
Поставете јака за завртки
Поставете држач за заклучување на завртката за заклучување
Прстен за задржување на заклучување на навој
Заклучување на завртката за заклучување со јака за заклучување
Прстен за задржување на крајот на вратилото со завртки