Дома > Производи > Болт > Завртка со тркалезна глава > Болт за очи за подигнување
        Болт за очи за подигнување
        • Болт за очи за подигнувањеБолт за очи за подигнување
        • Болт за очи за подигнувањеБолт за очи за подигнување
        • Болт за очи за подигнувањеБолт за очи за подигнување

        Болт за очи за подигнување

        Опсежниот каталог на XIAOGUO® вклучува завртки, навртки, завртки и подлошки дизајнирани за екстремна издржливост. Завртките за кревање очи се достапни во различни типови, вклучително и варијанти на рамо, без раменици и вртливи варијанти, секоја погодна за специфични сили за насочување.
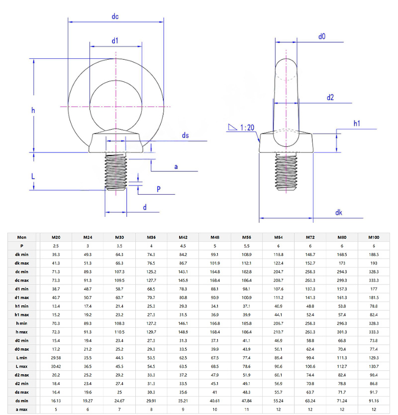
        Модел:GB/T 885-1986

        Испрати барање

        Опис на производот

        Завртка за очи за подигнувањесе навистина важни за подигнување на машини, за врзување на товар и за држење на структури на место. Во градежништвото, тие се користат за закачување HVAC системи или челични греди. Во морската работа, помага да се пловат едра или да се обезбеди опрема за прицврстување на чамци. На театарските сцени, тие се користат за закачување на поставките за осветлување, а во продавниците за поправка на автомобили, тие ги држат моторите на место за време на поправките.


        Тие не се само за индустриски работи - можете дури и да ги користите дома за да закачите лулашка или нешто слично. Тие работат на сè, од мали станбени работни места до големи градежни проекти. Само проверете дали завртките за очи што ги користите можат да се справат со тежината што ви треба. Проверката на спецификациите за оптоварување е клучна за одржување на работите безбедни и правилно функционирање, без разлика за што ги користите.

        Lifting Eye Bolt

        Детали за производот:

        Инсталирањезавртка за очи за подигнувањеправото е навистина важно за тоа како тие работат. Оние од типот на раменици треба целосно да се стават во дупките што сте ги издупчиле прво. Ако товарот не е исправен (како под агол), наместо тоа, користете верзии со вртливи очи. Никогаш не ставајте поголема тежина на нив од нивната номинална граница и не користете ги ако конците се оштетени. Осигурајте се дека товарот е центриран за да не ставате страничен стрес врз нив. Користете подлошки или јаки за да ја раширите силата. За кревање над глава, користете сертифицирана опрема за местење со нив.

        Параметри на производот

        Lifting Eye Bolts

        Најчесто поставувани прашања

        П: Како да изберам помеѓу фалсификуванзавртка за очи за подигнувањеи заварен болт за очи?

        О: Кованите имаат поголема цврстина и се посоодветни за работа на кревање тешки предмети. Тоа е затоа што процесот на ковање може уредно да ги распореди металните влакна заедно, правејќи ги поцврсти и издржливи. Цената на кованиот тип е повисока во споредба со заварениот тип. Заварениот тип (како што е типот на прстен или заптивка) има пониска цена и е погоден за некритични статички оптоварувања. Сепак, неговиот заварен шев може да стане слаба точка, така што не може да поднесе тешки товари и има послаба носивост. За ситуации кога треба да се подигнат тешки предмети, мора да изберете ковани прстени завртки со сигурна потврда (како ISO 9001). Заварените завртки може да се користат за фиксирање или закотвување без нагли или подвижни сили во нормални околности. Ако не сте сигурни за барањата за тежина, само консултирајте се со нашиот тим - ние ќе ви помогнеме да се осигурате дека нема да направите погрешен избор.


        Жешки тагови: Болт за очи за подигнување, Кина, производител, добавувач, фабрика
        Поврзана категорија
        Испрати барање
        Ве молиме слободно дајте го вашето барање во формата подолу. Ќе ви одговориме за 24 часа.
        X
        Ние користиме колачиња за да ви понудиме подобро искуство во прелистувањето, да го анализираме сообраќајот на страницата и да ја персонализираме содржината. Со користење на оваа страница, вие се согласувате со нашата употреба на колачиња. Политика за приватност
        Отфрли Прифати