Завртка за фалсификувани очисе силни сврзувачки елементи кои се користат за подигање, местење и закотвување. Тие имаат тркалезна јамка „око“ на едниот крај и вратило со навој на другиот. Овие ви овозможуваат безбедно да прикачите кабли, јажиња или синџири. Тие се направени да се справуваат и со подвижни и стационарни товари. Ќе ги видите многу во градежништвото, поморската работа и логистиката.
Постојат различни типови, како што се завртки за рамо, завртки за машини и завртки. Секој тип работи за различни големини на оптоварување и средини. Нивниот дизајн е цврст и сигурен, што ги прави важни за одржување на нештата безбедни и добра работа во индустриски услови.
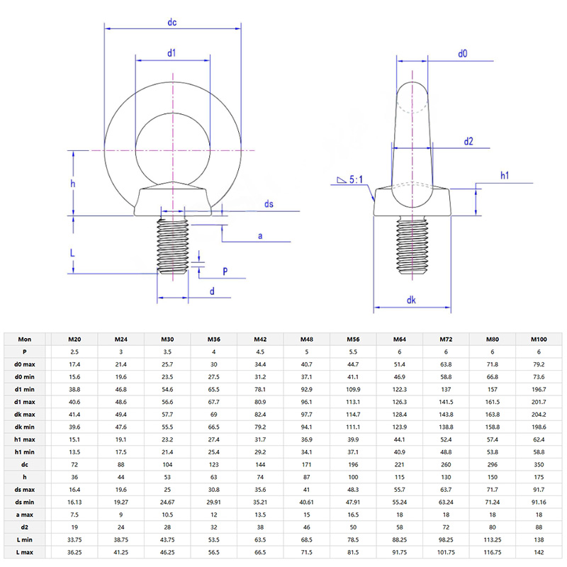
Завртка за фалсификувани очидоаѓаат во големини на конци кои се движат од М6 па се до М48, а се оценети за товари од 50 кг до над 20 тони. Ако користите такви од типот на рамо, само запомнете - мора да ги заштрафнете до крај за да ја достигнете нивната максимална тежина. Зашрафете очи? Тие се подобри за полесни работни места. Секогаш проверувајте дали имаат сертификати како DIN, ISO или ASTM - така знаете дека се легални.
Работите како што се големината на окото, должината на стеблото и растојанието меѓу конците зависат од вашата работа, затоа проверете ги табелите со тежина за да избегнете несовпаѓање. Ви треба нешто чудно за посебен проект? Некои добавувачи дури и ќе ги прилагодат големините или нишките за вас. Само не прескокнувајте ги деталите кога нарачувате.

П: Која е максималната тежина на вашиот капацитетфалсификуван болт за очи, и како се одредува?
О: Колкава тежина може да издржи навистина се сведува на три работи: од што е направен, колку е дебел и начинот на кој е изграден. Земете ги кованите од јаглероден челик, на пример - тие се поцврсти од печатените или свитканите верзии и можат да издржат од 0,25 тони до 11 тони. Ограничувањето на работното оптоварување (WLL) - тоа е максималната безбедна тежина што можат да ја поднесат - е пресметана со користење на правила како ASME B30.26 или DIN 580. Овие правила се изградени во безбедносна перница, обично сооднос 4:1 или 5:1, така што тие се многу посилни отколку што сугерира бројот. Во основа, ако е оценет за 1 тон, всушност е изграден за да се справи со 4 или 5 тони пред нешто да тргне настрана.