Дома > Производи > Болт > Завртка со тркалезна глава > Профил на завртки за риби
        Профил на завртки за риби
        • Профил на завртки за рибиПрофил на завртки за риби
        • Профил на завртки за рибиПрофил на завртки за риби
        • Профил на завртки за рибиПрофил на завртки за риби

        Профил на завртки за риби

        Профил на завртки за риби Профилот на рибни завртки произведен од фабриката Xiaoguo® претрпе прецизна обработка. Сите производни процеси се подложени на строги инспекции. Според стандардот на AS 1085.4-2002, не треба да се грижите за квалитетот на производот. Ви нудиме бесплатни примероци за тестирање.
        Модел:ASME/ANSI B18.10-1-2006

        Испрати барање

        Опис на производот

        НаПрофил на завртки за рибиглавно се користи за поврзување на рибните плочи на пругата, овозможувајќи двата дела од железничката пруга цврсто да се спојат заедно за да формираат долга пруга. Можеме да произведуваме во согласност со различни меѓународни стандарди, како што се BS, ASTM, DIN и други стандарди.

        Детали за производот

        Постојат неколку форми на глави на завртката, како што се тркалезна глава, квадратна глава и шестоаголна глава. Неговиот дел од завртката е со навој, а спецификациите за големина се многу разновидни. Дијаметарот генерално се движи од M10 до M24, а должината исто така може да се движи од десетици милиметри до над сто милиметри. Вообичаените материјали вклучуваат јаглероден челик, како што се челик Q235 и 45#, како и нерѓосувачки челик.

        НаПрофил на завртки за рибисе користи во железничката индустрија. При поставување на железнички пруги, тие се користат за поврзување на делови од шини еден по друг. Секојдневно, шините минуваат покрај бројни брзи и тешки возови, кои генерираат значителни вибрации и притисок. Завртката може цврсто да ги закочи шините кои обезбедуваат стабилност на пругата и му овозможуваат на возот безбедно и непречено да сообраќа. Без разлика дали тоа е товарната железница за превоз на долги релации или брзата железница и обичната железница за превоз на патници, никој од нив не може без неа.

        Fish bolt profile

        Продажно место за производи

        НаПрофил на завртки за рибиврската е и цврста и практична. Може цврсто да ги фиксира зглобовите на железничките пруги. Кога возот работи, шините нема лесно да се поместуваат или олабавуваат. Покрај тоа, има силна разновидност и може да се користи во тешки железници, лесни шини и некои пруги во индустријата.

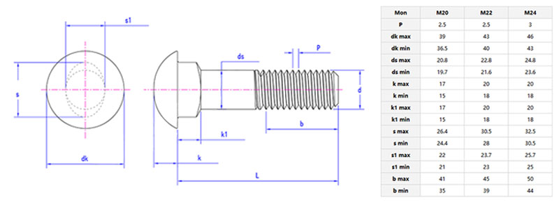
        Параметри на производот

        Fish bolt profile


        Пакување на производи

        Пакувањето на профилот Fish Bolt е изградено за практично складирање и транспорт. Секоја серија прво се подредува по големина, а потоа се пакува во дебели пластични кеси со 50 или 100 парчиња по кеса. Кесите се цврсто запечатени за да ја задржат прашината и влагата, избегнувајќи рѓа или оштетување на конецот. Овие мали кеси потоа се ставаат во брановидни картони. Секој картон има етикета со основни информации: големина, количина, датум на производство и број на серија. За нарачки на големо, картоните се наредени на дрвени палети и се фиксираат со челични ремени за да се спречи менувањето за време на транзитот. Овој метод на пакување е лесен за ракување, без разлика дали е за складирање во складиште или за употреба на лице место. Исто така, помага при брзи проверки на залихите и исполнување на нарачките и за домашни и за меѓународни пратки.


        Сесија за прашања и одговори

        П: Кои стандардни спецификации ги има профилот за завртки за риби?

        О: Профилот на рибните завртки главно ги следи меѓународните стандарди за железнички прицврстувачи како што се DIN и ISO. Вообичаените спецификации вклучуваат дијаметар на стеблото од 16 mm до 30 mm и должина од 80 mm до 200 mm. Овие параметри се прилагодени за поврзување на шини и прагови. Можеме да обезбедиме детална табела со спецификации, а исто така достапен е и приспособениот профил за завртки за риби врз основа на вашите специфични барања за железнички проект.  



        Жешки тагови: Профил на завртки за риби, Кина, производител, добавувач, фабрика
        Поврзана категорија
        Испрати барање
        Ве молиме слободно дајте го вашето барање во формата подолу. Ќе ви одговориме за 24 часа.
        X
        Ние користиме колачиња за да ви понудиме подобро искуство во прелистувањето, да го анализираме сообраќајот на страницата и да ја персонализираме содржината. Со користење на оваа страница, вие се согласувате со нашата употреба на колачиња. Политика за приватност
        Отфрли Прифати