Дома > Производи > Болт > Завртка со тркалезна глава > Сидро Сигурен Болт за очи
        Сидро Сигурен Болт за очи
        • Сидро Сигурен Болт за очиСидро Сигурен Болт за очи
        • Сидро Сигурен Болт за очиСидро Сигурен Болт за очи

        Сидро Сигурен Болт за очи

        Сите завртки за заштитни очи за сидро произведени од Xiaoguo се подложени на ригорозни тестирања пред извозот и компанијата може со сигурност да ги снабдува. Партнерите му веруваат на Xiaoguo, а купувачите можат да купуваат со сигурност.

        Испрати барање

        Опис на производот

        Сертификат за проверка на квалитетот

        Значи, кога ќе добиете сертификат за проверка на квалитет за Anchor Secure Eye Bolt, во основа тоа е документ што доаѓа со производот што покажува дека ги исполнува специфичните стандарди како ASTM A489. Оваа документација обично ви дава детали за материјалите што се користени, проверува дали сите димензии се точни, потврдува дека го поминала тестирањето за оптоварување и го потврдува површинскиот третман. Сертификатот обично доаѓа од независна лабораторија која е акредитирана да прави ваков вид на тестирање. Она што е навистина корисно е тоа што ви овозможува да го следите производот назад до неговата производствена серија, што ви дава уверување дека завртката за очи е всушност безбедна за употреба за операции на подигнување и ќе функционира како што треба кога ја користите на работното место.

        Anchor Secure Eye Bolt

        Употреба на производот

        Така, завртката за заштитни очи со сидро е една од оние компоненти што ни се користи во многу ситуации - главно ќе го видите како се користи за подигање тешки предмети, за местење или само за безбедно прицврстување на работите. Начинот на кој е дизајниран, со кружното око на едниот крај, го прави навистина едноставно закачувањето на различни видови опрема за поврзување. Без разлика дали треба да поминете кабел низ него, да врзете јаже или да закачите окови, тоа око ви дава солидна точка за работа. Затоа, ќе најдете дека тие се користат постојано на градилиштата, на пристаништа и чамци и во фабрики - секаде каде што луѓето треба да обезбедат товар или безбедно да ја преместуваат опремата.

        Сесија за прашања и одговори

        Прашање: Која е безбедносната работна оптовареност за вашиот завртка за око со сидро? Безбедното оптоварување за  завртка зависи од нејзината големина и вид. Секогаш проверувајте ја табела со оценето оптоварување за конкретното што го користите. Никогаш не го надминувајте тој рејтинг - ги одржува работите безбедни кога кревате работи.

        Anchor Secure Eye Bolt

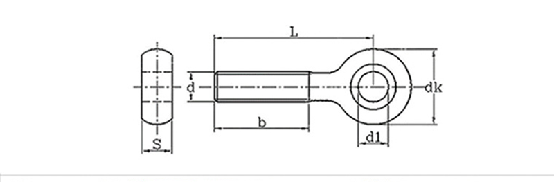
        мм
        Дијаметар на конец
        d1
        дк
        s
        М6
        5 10.5 5.4
        М8
        6 13 7
        М10
        8 16 8.5
        М12
        10 19 10.5
        М14
        10 22 12

        Жешки тагови: Сидро Сигурен Болт за очи
        Поврзана категорија
        Испрати барање
        Ве молиме слободно дајте го вашето барање во формата подолу. Ќе ви одговориме за 24 часа.
        X
        Ние користиме колачиња за да ви понудиме подобро искуство во прелистувањето, да го анализираме сообраќајот на страницата и да ја персонализираме содржината. Со користење на оваа страница, вие се согласувате со нашата употреба на колачиња. Политика за приватност
        Отфрли Прифати