Дома > Производи > Орев > Рачно зашрафете ја навртката > Тркалезни копчиња со навртка за тркалање со јака
      Тркалезни копчиња со навртка за тркалање со јака
      • Тркалезни копчиња со навртка за тркалање со јакаТркалезни копчиња со навртка за тркалање со јака
      • Тркалезни копчиња со навртка за тркалање со јакаТркалезни копчиња со навртка за тркалање со јака

      Тркалезни копчиња со навртка за тркалање со јака

      За прецизно линеарно движење, изберете ги напредните тркалезни копчиња на XIAO GUO со навртка за тркалање со јака. Дизајниран за топчести завртки, обезбедува непречено движење со висока ефикасност, што нè прави доверлив кинески тркалезни копчиња со навртки за тркалање за јака за CNC и системи за автоматизација.

      Испрати барање

      Опис на производот

      Прво, дупчете дупка во лимот што одговара на тркалезните копчиња со големина на навртката за тркалање. Не правете ја дупката премногу голема - во спротивно, нема да се заклучи правилно. Исчистете ги сите метални струготини оставени во дупката; тие може да се попречат на инсталацијата.

      Потоа ставете ја навртката во претходно дупчената дупка, проверете дали седи рамно на листот. Користете стандардна алатка за преса со матрица што одговара на врвот на навртката. Направете постојан, рамномерен притисок врз алатката - ќе почувствувате мало „кликнување“ кога ќе се заклучи на своето место. Држете го притисокот 1-2 секунди за да бидете сигурни дека е безбедно.

      Избегнувајте да користите удари со чекан; ова може да ја свитка навртката или да го оштети лимот. Најдобро работи на тенок до среден лим (дебелина 0,5-2 мм). Откако ќе се инсталира, можете непречено да навртувате завртка без да се врти навртката. Кружни копчиња со навртка за тркалање со јака се лесни за употреба дури и за почетници, не се потребни комплицирани вештини.

      Пакување на производи

      Ние користиме едноставно, практично пакување за да ги зачуваме навртките безбедни. За мали нарачки или примероци, тие се спакувани во проѕирни пластични кеси - обично 100 или 200 парчиња по кеса. Секоја кеса има основна етикета со големина, материјал и број на серија, за да можете лесно да го најдете она што ви треба.

      Масовните нарачки одат во цврсти картони. Во зависност од големината на навртката, секој картон содржи од 5000 до 10000 парчиња. Внатре ставаме пена или обвивка со меурчиња за да ги спречиме да се гребат или да се движат за време на испораката. Картонските кутии имаат јасни ознаки за ракување, како „одржување на суво“ или „не натрупување тешки работи“.

      Ако ви треба приспособено пакување - како вашето лого на кеси или одредена количина по пакет - само известете нè кога нарачувате. Нема дополнителни фенси работи, само она што работи за складирање и испорака. Доаѓа во овие стандардни опции, кои одговараат на повеќето мали работилници, големи фабрики или потребите на корисниците сами.

      Round Knobs With Collar Rolling Nut

      Сесија за прашања и одговори

      Која дебелина на лим е погодна за тркалезни копчиња со навртка за тркалање со јака?  

      О: Најдобро работи на тенок до среден лим, со опсег на дебелина од 0,5 mm до 2,5 mm. Премногу дебел метал нема да дозволи да се заклучи правилно, а премногу тенок може да се деформира за време на инсталацијата. Вообичаените материјали како ладно валани челик, алуминиум и лимови од нерѓосувачки челик се во ред. Само проверете дали големината на претходно избушената дупка се совпаѓа со надворешниот дијаметар на навртката - можеме да обезбедиме табела со големини ако ви треба за референца.  

      Round Knobs With Collar Rolling Nut

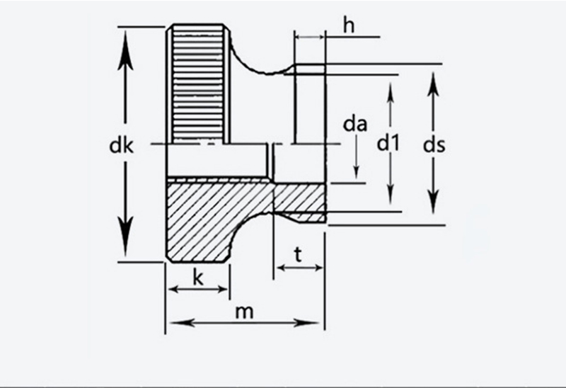
      големина Теренот Надворешен дијаметар Висина k ds да d1 T h
      макс мин макс мин макс мин макс мин макс
      М3 0,5  11  10.7  6.64  2.8  5.7  3.5  3.2  5.2  1.2 
      М4 0,7  12  11.7  7.64  7.64  4.5  4.2  6.4  2.5  1.5 
      М5 0,8  16  15.7  10  96.6  10  9,64  5.5  5.5 
      М6 20  19.7  12  11.6  12  11.6  6.56  6.2  11  2.5 
      М8 1.25  24  23.7  16  15.6  16  15.6  8,86  8.5  13 
      М10 1.5 30 29.7 20 19.5 8 20 19.5 10.9 10.5 17.2 6.5 3.8
      Жешки тагови: Тркалезни копчиња со јака за тркалање навртка, Кина, производител, добавувач, фабрика
      Поврзана категорија
      Испрати барање
      Ве молиме слободно дајте го вашето барање во формата подолу. Ќе ви одговориме за 24 часа.
      X
      We use cookies to offer you a better browsing experience, analyze site traffic and personalize content. By using this site, you agree to our use of cookies. Privacy Policy
      Reject Accept