Дома > Производи > Игла > Тркалезна пина > CNC машински Clevis иглички
        CNC машински Clevis иглички
        • CNC машински Clevis игличкиCNC машински Clevis иглички
        • CNC машински Clevis игличкиCNC машински Clevis иглички

        CNC машински Clevis иглички

        2. CNC-машински иглички Clevis се иглички на оската со заоблени глави, обезбедени со дупки за иглички и иглички или навртки за заклучување. Тие најчесто се користат за поврзување на механички компоненти како што се врски и контролни краци. ЦПУ машинските иглички Clevis на Xiaoguo се обработени со CNC за да се обезбеди висока прецизност и сила, за да можете да купувате со сигурност.

        Испрати барање

        Опис на производот

        Имаме CNC машински иглички Clevis во куп вообичаени големини, со дијаметри кои се движат од околу M3 до M24 и должина од 10mm до 200mm, така што тие ќе одговараат на повеќето стандардни дупки. Важните делови како големината на главата и должината на стеблото се направени да одговараат на вообичаените спецификации.

        CNC Machined Clevis Pins

        За различни работни места, имаме различни оценки. Има редовна оценка за секојдневна употреба и попрецизна кога ви треба поцврсто вклопување, како во автомобилите или авионите. Сите тие се направени според заеднички правила како ISO 2341, така што секој пат го добивате истото. Ова само значи дека нашите CNC машински иглички Clevis се направени да работат со стандардни држачи и делови во повеќето опрема.

        Контрола на квалитетот на производот

        Вршиме стандардни проверки на квалитет на овие иглички со CNC машински Clevis за да се увериме дека функционираат правилно. Секој од нив се мери за работи како што се дијаметарот, должината и поставеноста на дупките за да се увери дека големини се точни. Го тестираме и самиот материјал за да провериме дали е вистинскиот тип и дали е доволно цврст и тврд.

        Гледаме преку површината за какви било гребнатини, груби рабови или други траги што би можеле да бидат проблем. Сè е направено според општите индустриски правила како ISO 2341. Ние водиме евиденција за тестовите за секоја серија за да можеме да ја следиме подоцна.

        Откако ќе ги поминете овие проверки, игличките со CNC Machined Clevis се добри за редовни работни места или потешки апликации каде што треба да издржат.

        Сесија за прашања и одговори

        П: Кои стандарди ги исполнуваат вашите CNC машински иглички Clevis?

        О: Нашите стандардни CNC машински Clevis иглички се произведени за да ги задоволат спецификациите како ISO 2341 или ANSI B18.8.1. Ова обезбедува постојани димензии за дијаметарот на игличката, главата и дупката, гарантирајќи сигурно вклопување и заменливост во вашите склопови.

        CNC Machined Clevis Pins


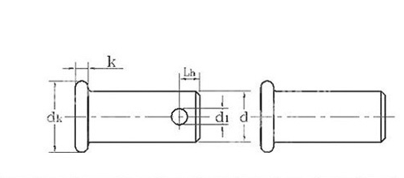
        единица: mm
        d макс 3 4 5 6 8 10 12 14 16 18 20
        мин 2.94 3.925 4.925 5.925 7.91 9.91 11.89 13.89 15.89 17.89 19.87
        дк макс 5 6 8 10 12 14 16 18 20 22 25
        мин 4.7 5.7 7.64 9.64 11.57 13.57 15.57 17.57 19.48 21.48 24.48
        k номинаЛ 1.5 2 2.5 3 3.5 4
        макс 1.625 2.125 2.625 3.125 3.65 4.15
        мин 1.375 1.875 2.375 2.875 3.35 3.85
        d1 мин 1.6 2 3.2 4 5 5
        макс 1.74 2.14 3.38 4.18 5.18 5.18
        Lh мин 1.6 2.2 2.9 3.2 3.5 4.5 5.5 6 6 7 8



        Жешки тагови: CNC обработени иглички Clevis, Кина, производител, добавувач, фабрика
        Поврзана категорија
        Испрати барање
        Ве молиме слободно дајте го вашето барање во формата подолу. Ќе ви одговориме за 24 часа.
        X
        Ние користиме колачиња за да ви понудиме подобро искуство во прелистувањето, да го анализираме сообраќајот на страницата и да ја персонализираме содржината. Со користење на оваа страница, вие се согласувате со нашата употреба на колачиња. Политика за приватност
        Отфрли Прифати