Дома > Производи > Игла > Тркалезна пина > Црните иглички на Клевис
        Црните иглички на Клевис
        • Црните иглички на КлевисЦрните иглички на Клевис
        • Црните иглички на КлевисЦрните иглички на Клевис

        Црните иглички на Клевис

        2.Black Clevis игличките се направени од стврднат челик, обезбедувајќи ја цврстината потребна за операциите на ротација и подигнување. Нарачувањето иглички на Black Clevis од мали нарачки овозможува рентабилно управување со залихите.

        Испрати барање

        Опис на производот

        Трошоците за испорака за овие Black Clevis иглички немаат одредена цена - зависи од неколку работи. Во основа, се зависи од тоа колку ќе нарачате (поголемите нарачки обично чинат помалку за испорака по парче), колку тежи вашиот пакет и неговата големина (потешки или поголеми пакувања чинат повеќе) и колку далеку треба да оди.


        За помали нарачки, ние обично користиме компании за редовна испорака. За навистина големи пратки, може да користиме поморски или воздушен товар, каде што цената често се пресметува по волумен. Ако додадете додатоци како осигурување или специјално следење, тоа исто така ќе ја зголеми цената.

        Black Clevis Pins

        Добивањето понуда за Black Clevis Pins е едноставно - само кажете ни што ви треба и каде оди, а ние можеме да ви ја кажеме точната цена.

        Карактеристики на изгледот на производот

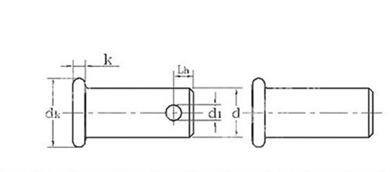
        Овие иглички со рамна глава   во основа е правилен цилиндар кој се користи за поврзување на делови. Има мазна осовина која поминува низ соодветните дупки во работи како што се загради и прачки. Едниот крај има глава (рамна или заоблена) што го спречува да се лизга до крај. Другиот крај нема глава, но има мала дупка пробиена низ неа во близина на врвот. Таа дупка е за штипката или игличката за да се заклучи иглата на место откако ќе се инсталира. Некои типови може да имаат многу мало заострување на вратилото за полесно да се стават.


        Ние правиме црни иглички Clevis со стандардни големини за да одговараат на заедничките делови. Нивната едноставна форма им овозможува на поврзаните делови да се вртат или ротираат, поради што тие често се користат како точки на вртење во различни видови опрема.


        Сесија за прашања и одговори

        П: Дали обезбедувате тест сертификати за иглички на Клевис со рамна глава?

        О: Да, по барање можеме да обезбедиме сертификат за тестирање на материјал за нашите пинови. Овој документ го потврдува хемискиот состав и механичките својства, осигурувајќи дека игличките ги исполнуваат наведените барања за квалитет и изведба за вашиот проект.

        Black Clevis Pins


        единица: mm
        d макс 3 4 5 6 8 10 12 14 16 18 20
        мин 2.94 3.925 4.925 5.925 7.91 9.91 11.89 13.89 15.89 17.89 19.87
        дк макс 5 6 8 10 12 14 16 18 20 22 25
        мин 4.7 5.7 7.64 9.64 11.57 13.57 15.57 17.57 19.48 21.48 24.48
        k номинаЛ 1.5 2 2.5 3 3.5 4
        макс 1.625 2.125 2.625 3.125 3.65 4.15
        мин 1.375 1.875 2.375 2.875 3.35 3.85
        d1 мин 1.6 2 3.2 4 5 5
        макс 1.74 2.14 3.38 4.18 5.18 5.18
        Lh мин 1.6 2.2 2.9 3.2 3.5 4.5 5.5 6 6 7 8



        Жешки тагови: Black Clevis иглички, Кина, производител, добавувач, фабрика
        Поврзана категорија
        Испрати барање
        Ве молиме слободно дајте го вашето барање во формата подолу. Ќе ви одговориме за 24 часа.
        X
        Ние користиме колачиња за да ви понудиме подобро искуство во прелистувањето, да го анализираме сообраќајот на страницата и да ја персонализираме содржината. Со користење на оваа страница, вие се согласувате со нашата употреба на колачиња. Политика за приватност
        Отфрли Прифати