Броучирање Standoffs
        • Броучирање StandoffsБроучирање Standoffs
        • Броучирање StandoffsБроучирање Standoffs
        • Броучирање StandoffsБроучирање Standoffs
        • Броучирање StandoffsБроучирање Standoffs

        Броучирање Standoffs

        Xiaoguo® има разновидна модерна производствена опрема со висока ефикасност и е способна да се испорачува во големи количества. Местото за бришење се користи за прицврстување, цилиндрични, со внатрешен навој, вообичаено се користат во автомобилски системи со распон, индустриски контроли и потрошувачка електроника за зголемена стабилност.
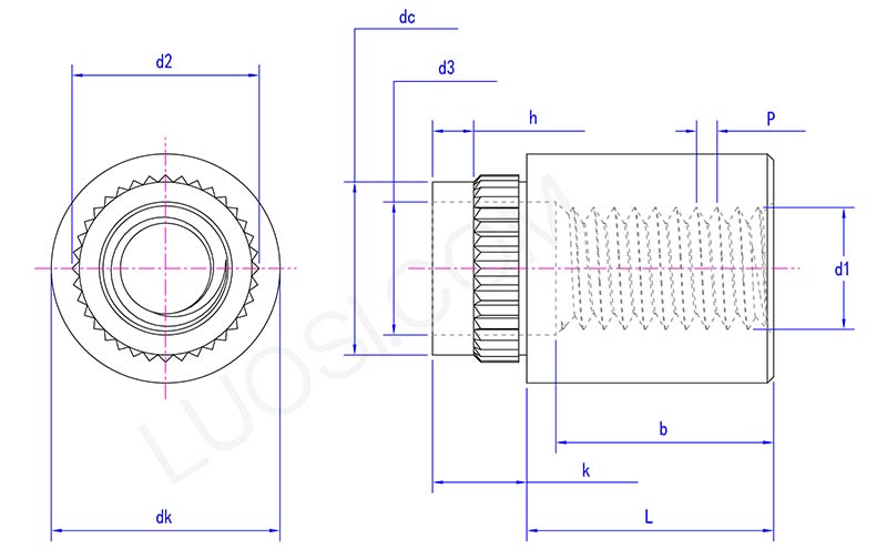
        Модел:QIB/IND KFB3

        Испрати барање

        Опис на производот

        Кога ќе се инсталираат правилно, овие отсечени места формираат гас-непропустлива, ладно заварена врска во ПХБ ламинатот. Тие имаат навистина солидна механичка сигурност.

        Оваа врска речиси никогаш не се олабавува од вибрации или термички циклус.

        Добрите производители се погрижуваат овие столпчиња да ги исполнуваат строгите стандарди за квалитет, како што се ISO 9001 или IATF 16949. Тие исто така ги тестираат темелно: ја проверуваат силата на извлекување, колку добро се спротивставуваат на вртежниот момент и колку добро се лепи облогата. Сите за да бидете сигурни дека тие работат постојано.

        Пон
        М3 М4
        P
        0.5 0.7
        dc макс
        4.2 6.33
        d2 макс
        4.63 6.76
        d2 мин
        4.47 6.6
        h макс
        1.25 1.25
        ч мин
        0.75 0.75
        k макс
        2.29 2.29
        d3 макс
        3.31 5.31
        d3 мин
        3.15 5.15
        б макс
        9.9 9.9
        б мин
        9.1 9.1
        d1
        М3 М4
        dk макс
        5.69 8.87
        dk мин
        5.43 8.61

        broaching standoffs parameter

        Предност

        Изборот на вистинските позиции за пробивање дава добра вредност. Тоа е силен, постојан, сигурен начин за монтирање на нештата, ова ги прави производите да траат подолго и ги намалува проблемите на терен.

        Нивното брзо и автоматско инсталирање ги намалува трошоците за склопување. Плус, тие се спротивставуваат на вибрациите, така што производите се држат подолго во тешки средини.

        Сè на сè, тоа е клучен дел за безбедно, ефикасно механичко поставување во напредните електронски склопови.

        broaching standoffs

        Електрично заземјување или изолација

        Како електрично функционираат овие ќор-сокак зависи од тоа од што се направени и како се дизајнирани.

        Алуминиумските столпчиња прилично добро спроведуваат струја. Тие често се користат за заземјување кога допираат бакарна рамнина на таблата.

        Челичните столпчиња не спроведуваат струја исто така, но тие можат да се обложат за да помогнат.

        Ако треба да ја чувате електричната енергија одвоена, непроводни мијалници за рамења или одредени дизајни на нитни, како што се прирабничките со изолација, спречете ја обетката да го допира бакарот околу неа на ПХБ.

        Кога избирате, погрижете се да кажете дали ви треба електрично поврзување или дали треба да ја чувате електричната енергија одвоена.

        Жешки тагови: Broaching Standoffs, Кина, производител, добавувач, фабрика
        Поврзана категорија
        Испрати барање
        Ве молиме слободно дајте го вашето барање во формата подолу. Ќе ви одговориме за 24 часа.
        X
        Ние користиме колачиња за да ви понудиме подобро искуство во прелистувањето, да го анализираме сообраќајот на страницата и да ја персонализираме содржината. Со користење на оваа страница, вие се согласувате со нашата употреба на колачиња. Политика за приватност
        Отфрли Прифати