Дома > Производи > Ореви за заварување > Завртка за заварување > Завртки за заварување со проекција на дното
        Завртки за заварување со проекција на дното
        • Завртки за заварување со проекција на днотоЗавртки за заварување со проекција на дното
        • Завртки за заварување со проекција на днотоЗавртки за заварување со проекција на дното
        • Завртки за заварување со проекција на днотоЗавртки за заварување со проекција на дното

        Завртки за заварување со проекција на дното

        Долните завртки за заварување со проекција може цврсто да се заварат на метални површини. Има навои на врвот и може да се користи за поврзување на делови. Тие се погодни за тешки машини, челични конструкции или индустриска опрема која бара цврста и трајна фиксација. Компанијата Xiaoguo® нуди практични опции.
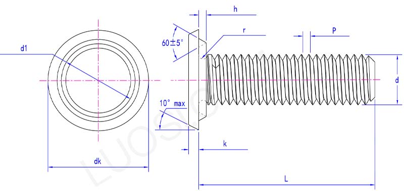
        Модел:QC/T 598-1999

        Испрати барање

        Опис на производот

        Главата на завртките за заварување со проекција на дното има кружна форма и има мали точки за заварување. Завртката е во цилиндрична форма и нејзината површина е врежана со правилни и фини навои. Тие доаѓаат во различни големини за избор.

        Апликации

        Проекционата завртка за заварување се користи во декорацијата на зградите. Во внатрешната декорација, овие завртки се користат за фиксирање на врати и прозорци, декоративни панели, тавански греда и други компоненти; во некои мали спојни делови на згради од челична конструкција може да се користат и за поврзување. Тие се многу погодни.

        bottom projection weld screws parameter

        Пон
        М4 М5 М6 М8 М10 М12
        P
        0.7 0.8 1 1.25 1.5 1.75
        dk макс
        11.5 12.5 14.5 19 21 24
        dk мин
        11.23 12.23 14.23 18.67 20.67 23.67
        k макс
        2 2.5 2.5 3.5 4 5
        к мин
        1.75 2.25 2.25 3.25 3.75 4.75
        р мин
        0.2 0.2 0.3 0.3 0.4 0.4
        d1 макс
        8.75 9.75 10.75 14.25 16.25 18.75
        d1 мин
        8.5 9.5 10.5 14 16 18.5
        h макс
        1.25 1.25 1.25 1.45 1.45 1.65
        ч мин
        0.9 0.9 0.9 1.1 1.1 1.3

        Завртките за заварување со проекција на дното се користат и во машинската производствена индустрија. Тие се применливи за општото склопување на механичка опрема, како што е поврзувањето на компонентите во малите машини и инструменти, обезбедувајќи секој дел од машината да остане во фиксна положба за време на работата и да работи стабилно.

        Оваа проекција за заварување се користи при склопување на електронски уреди. За приклучоците на некои куќишта на електронски уреди и внатрешни потпори кои имаат високи барања за изглед и имаат потреба од одредена цврстина на затегнување, овој тип на завртки е доста погоден. Обезбедува стабилна врска без да влијае на изгледот на опремата.

        Карактеристика на производот

        Завртките за заварување со проекција на дното имаат релативно мазна површина по инсталацијата, што ја прави помала веројатност да гребе луѓе или други предмети. Точките за заварување на главата може да се користат за претходно заварувањезаврткатана одредена компонента, што го олеснува следното склопување. Прецизноста на конецот е висока, што му овозможува цврсто заглавување со соодветната навртка, обезбедувајќи сигурен ефект на прицврстување и одржувајќи добри перформанси на поврзувањето дури и по повеќекратно расклопување и повторно склопување.


        Жешки тагови: Завртки за заварување со долна проекција, Кина, производител, добавувач, фабрика
        Поврзана категорија
        Испрати барање
        Ве молиме слободно дајте го вашето барање во формата подолу. Ќе ви одговориме за 24 часа.
        X
        Ние користиме колачиња за да ви понудиме подобро искуство во прелистувањето, да го анализираме сообраќајот на страницата и да ја персонализираме содржината. Со користење на оваа страница, вие се согласувате со нашата употреба на колачиња. Политика за приватност
        Отфрли Прифати