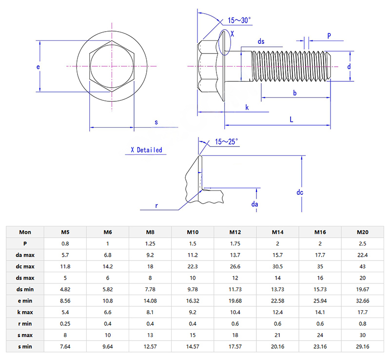
Напишете големи завртки за прирабница на главата на шестоаголникотсе и силни и стабилни. Тие се големи во големина, за да можат да издржат поголема сила. Областа за контакт помеѓу прирабницата и поврзаниот предмет се зголеми, и нема да се олабави лесно откако ќе се затегне.

Напишете големи завртки за прирабница на главата на шестоаголникотможе да се користи во петрохемиската индустрија. На пример, во реакционите садови и гасоводот врски на рафинериите на нафта, притисокот е голем, температурата е висока, а тие исто така може да стапат во контакт со корозивни материи. Овие завртки не само што имаат голема јачина, туку и претрпеа посебен третман. Тие се отпорни на корозија и можат да обезбедат стабилна работа на поврзаната опрема.
Може да се користи и за склопување на големи комплети на генератори. Кога сетот на генераторот е во функција, тој вибрира во голема мерка и има голема моќност. Сите врски на неговите компоненти мора да бидат стабилни. Тие можат цврсто да ги поправат клучните компоненти на генераторот, како што се роторот и статорот, обезбедувајќи стабилно производство на електрична енергија на единицата и намалување на механичките дефекти.
Напишете големи завртки за прирабница на главата на шестоаголникотда се користи во производство на возови со голема брзина. Возовите со голема брзина патуваат со голема брзина и имаат екстремно големи барања за стабилноста на поврзаноста на структурата на телото на автомобилот. Неговата висока јачина и перформансите на анти-лозирање можат да обезбедат структурата на телото на возот да не се олабави кога патува со голема брзина, обезбедувајќи им на патниците безбедна и удобна околина за возење.

Напишете големи завртки за прирабница на главата на шестоаголникотсе применуваат во инсталацијата на порта кранови. Портските кранови се големи во волумен и тешки во оптоварување и имаат големи барања за завртки за време на инсталацијата. Тие се користат за поврзување на главните греди, надградби и други делови на кран, овозможувајќи му на кран да работи безбедно и стабилно за време на честото вчитување и истовар на стоки.
Завртки за прирабница со висок вртежен момент на вртежен момент
Интегрирана прирабница за прирабници за прирабници за прирабница
Рационализирани хексалобуларни завртки за прирабница на главата
Премиум инженерски хексалобуларни завртки за прирабница на главата
Хексалобуларни завртки за прирабница на одделение во индустријата
Перформанси Оптимизирани хексалобуларни завртки за прирабница на главата