Дома > Производи > Орев > Други јаткасти плодови > Само-заклучување на ореви две сидро на лаг
        Само-заклучување на ореви две сидро на лаг

        Само-заклучување на ореви две сидро на лаг

        Xiaoguo® само-заклучување на ореви Две сидро на Lug е орев произведен во строга согласност со американскиот воздушен стандард на 373-1991, кој се користи за трајно прицврстување во вибрирачко опкружување. Само -заклучување на ореви Две сидро на ламби се користат во сценарија како што се кожи од авиони и закачалки на моторот.
        Модел:AN 373-1991

        Испрати барање

        Опис на производот



        Самостојно заклучување на триење: Ореви за само заклучување Две сидро на лагер има најлонски прстен вграден во внатрешната нишка (отпорна на температура-55 ℃ ~ 120 ℃), што генерира 20% дополнителен вртежен момент при гризење на завртката, а нивото на анти-loosening достигнува NASM 55570 класа 3;

        Ограничувач на уво: Двојните капаци соработуваат со слотот за палети за да ја ограничат ротацијата на само-заклучувањето на самото прицврстување на две сидро, избегнувајќи го „лажното само-заклучување“ феномен на традиционалните ореви со едно уво.



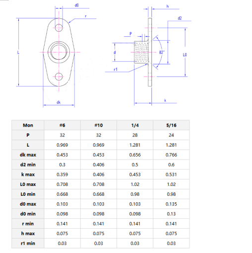
        Детали за производот и параметрите


        Самостојно заклучување на ореви Две сидро на ламби со изолационен облога, за литиум батерии.

        Завртницата на само-заклучувањето на оревите две сидро на ламби се совпаѓа со изрез на плочата за поддршка со точност од 0,1 мм, поддржувајќи ја слепите инсталации со една рака во слепите области, како што е внатрешноста на крилото.




        Self-locking nuts one lug

        Self-locking nuts one lug


        Дистрибуција на пазарот

        Пазар
        Приходи (претходна година)
        Вкупен приход (%)
        Северна Америка
        Доверливо
        21
        Јужна Америка
        Доверливо 3
        Источна Европа
        Доверливо
        20
        Југоисточна Азија
        Доверливо
        3
        Океанија
        Доверливо
        2
        Среден исток
        Доверливо
        5
        Источна Азија
        Доверливо
        15
        Западна Европа
        Доверливо
        13
        Централна Америка
        Доверливо
        5
        Северна Европа
        Доверливо
        2
        Јужна Европа
        Доверливо
        1
        Јужна Азија
        Доверливо
        5

        Домашен пазар

        Доверливо
        5


        Индустрија за која е применлив производот


        Воена опрема: Поврзување со ракетен оддел, механизам за преклопување на крилјата со беспилотни летала, ореви за само заклучување Две сидро на ламби ги исполнуваат барањата за анти-loosening на GJB 1217A-2017.

        Воздухопловна: Конекција на кожата со труп на авиони (повеќе од 2.000 парчиња на C919), фиксација на гасоводот на ракетата на цевководот;

        Railwayелезнички транспорт: А прицврстување на завртката за завртки со голема брзина, самостојно заклучување на вратата од метрото, за да се справите со вибрациите со висока фреквенција од 30Hz;

        Нови енергетски возила: Прицврстување на кутијата за батерии на литиум;



        Жешки тагови: Само-заклучување на ореви Две сидро на ламби, Кина, производител, снабдувач, фабрика
        Поврзана категорија
        Испрати барање
        Ве молиме слободно дајте го вашето барање во формата подолу. Ќе ви одговориме за 24 часа.
        X
        Ние користиме колачиња за да ви понудиме подобро искуство во прелистувањето, да го анализираме сообраќајот на страницата и да ја персонализираме содржината. Со користење на оваа страница, вие се согласувате со нашата употреба на колачиња. Политика за приватност
        Отфрли Прифати