Заштрафени влошки
        • Заштрафени влошкиЗаштрафени влошки
        • Заштрафени влошкиЗаштрафени влошки
        • Заштрафени влошкиЗаштрафени влошки
        • Заштрафени влошкиЗаштрафени влошки

        Заштрафени влошки

        Навртуваните влошки е прецизно формирана, самозаклучувачка намотка дизајнирана да обезбеди издржливи внатрешни навои. Етикетирањето против фалсификување на фабриката XIAOGUO® ги штити клиентите од супстандардни имитации.
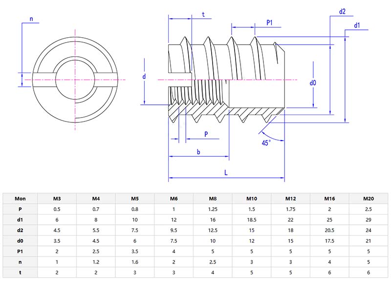
        Модел:DIN 7965-1965

        Испрати барање

        Опис на производот

        Заштрафени влошкисе спирален калем направен од жица во облик на дијамант. Дизајниран е да создава силни внатрешни нишки во помеки материјали или кога оригиналните нишки се оштетени. Го ставате во претходно залепена дупка и дава цврста, долготрајна површина со навој што прави склопот да трае подолго. Навртуваната влошка работи како трајна чаура - рамномерно го шири притисокот и го спречува соголувањето или оштетувањето на конците. Ова е практично решение за сигурно прицврстување во тешки ситуации кога основниот материјал не е доволно цврст.

        Screwed inserts

        Детали и параметри на производот

        Главната предност на навртуваната влошка е дека тие можат да ги поправат и зајакнат соголените или слабите навои, што ве спасува од потребата да замените делови што чинат многу. Тие ја зголемуваат силата на извлекување и смолкнување многу повеќе отколку само основниот материјал сам по себе. Ставањето на навртувана влошка не е премногу тешко - можете да го направите со обични алатки. Исто така, тие добро се држат против вибрациите, спречуваат различни метали да се кородираат еден со друг и погрижете се нишките да останат конзистентни и да можат повторно да се користат. Тоа го правинавртувани влошкипаметен избор ако сакате нешто сигурно без да трошите премногу.

        Screwed inserts

        Најчесто поставувани прашања

        П: Како ова всушност создава поцврста нишка во споредба со самото удирање на основниот материјал?

        А: АЗаштрафени влошкиоди во претходно издупчена и допрена дупка која е малку поголема од вообичаеното. Намотката е направена од жица во облик на дијамант, што му дава многу поголема површина за да го задржи товарот и рамномерно го шири напрегањето по нишките. Ова помага да се спречи помекиот основен материјал да се соголи, да се оштети или да се истроши кога има вибрации или тешка употреба. Резултатот е силна, долготрајна врска со навој што е многу подобра од обичните нишки, особено во меки метали или пластика.


        Жешки тагови: Заштрафени влошки, Кина, производител, добавувач, фабрика
        Поврзана категорија
        Испрати барање
        Ве молиме слободно дајте го вашето барање во формата подолу. Ќе ви одговориме за 24 часа.
        X
        Ние користиме колачиња за да ви понудиме подобро искуство во прелистувањето, да го анализираме сообраќајот на страницата и да ја персонализираме содржината. Со користење на оваа страница, вие се согласувате со нашата употреба на колачиња. Политика за приватност
        Отфрли Прифати