Nte најлон вметнете заклучување ореве прицврстувач за само-заклучување со најлон јака во внатрешните навои. Кога се навртува на завртката, најлонот ги заклучува навоите и орев нема да се олабави лесно кога има вибрации или движење.

НаNte најлон вметнете заклучување ореве изработен од материјали како што се цинк-обложен челик или не'рѓосувачки челик, тој е дизајниран за машини, возила или опрема каде што е важна сигурноста. За разлика од редовните ореви,Nte најлон вметнете заклучување оревНе бара дополнителни мијалници за заклучување или лепила - самостојно се заклучува. Едноставно е да се инсталира, може да се употреби (во граници) и работи и во индустриски поставки и во секојдневните поправки.
Користете гоNte најлон вметнете заклучување оревда се обезбедат делови што се тресат или се движат. Примери: Прицврстување на стапалата на мотоцикл, чување на ролери за подвижни ленти или склопување канцелариски столчиња со прилагодливи делови. Исто така е корисно за опрема на отворено како градинарски приколки или лавици за велосипеди, каде што испакнатините и времето би можеле да ги олабават стандардните ореви. Во домашните работилници, одлично е за фиксирање на вобни табели или обезбедување на компоненти на алатки за електрична енергија што вибрираат за време на употребата.
Seeе го видитеNte најлон вметнете заклучување оревВо производството на автомобили (мотори за мотори, делови за суспензија), HVAC системи (обезбедување на лопатки на вентилаторот или канали) и производи за широка потрошувачка како машини за перење или велосипеди за вежбање. Исто така, вообичаено е во земјоделските машини, велосипеди и склопување на електроника - каде и да е вибрациите или честите прилагодувања може да ги олабават редовните ореви.

| Пазар |
Вкупен приход (%) |
| Северна Америка |
14 |
| Јужна Америка |
10 |
| Источна Европа |
16 |
| Југоисточна Азија |
10 |
| Среден исток |
7 |
| Источна Азија |
17 |
| Западна Европа |
12 |
| Јужна Азија |
6 |
| Домашен пазар |
8 |
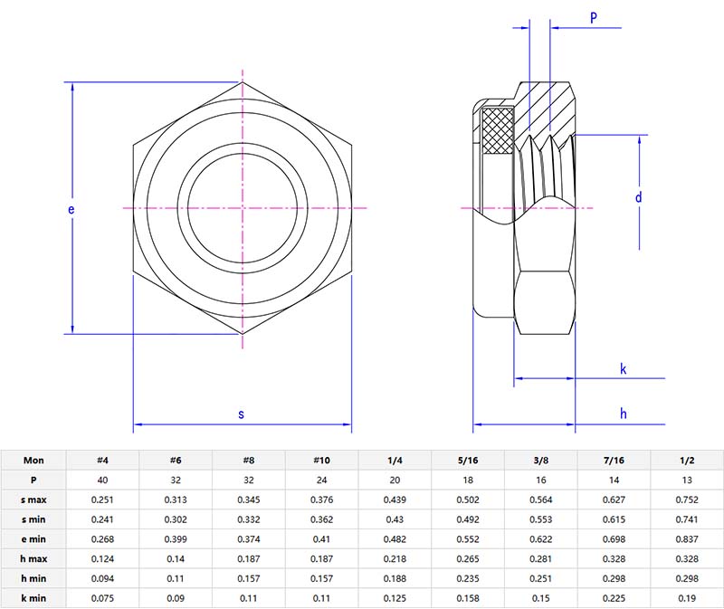
Xiaoguo® може да го прилагодиNte најлон вметнете заклучени оревидо твоетозавртки. Шестоаголниот облик наоревСе вклопува со стандарден клуч, а најлонот внатре е отпорен на абење. Можеме да обезбедиме примероци и можете да тестирате дали бесплатните примероци ги задоволуваат вашите потреби пред да поставите голема нарачка.