Дома > Производи > Завртка > Болт за прирабница со шестоаголна глава > Шестоаголна прирабница на груба прирабница
      Шестоаголна прирабница на груба прирабница
      • Шестоаголна прирабница на груба прирабницаШестоаголна прирабница на груба прирабница
      • Шестоаголна прирабница на груба прирабницаШестоаголна прирабница на груба прирабница
      • Шестоаголна прирабница на груба прирабницаШестоаголна прирабница на груба прирабница

      Шестоаголна прирабница на груба прирабница

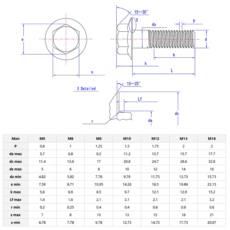
      Шестоаголната прирабница на груба прирабница произведена од нашата Xiaoguo® има релативно голем дијаметар, дизајниран да ја зголеми областа за контакт, да го дистрибуира товарот и да ја подобри стабилноста и анти-влошените перформанси на врската, во согласност со стандардот GB/T 16674.1-2016.

      Испрати барање

      Опис на производот

      Грубата површина на прирабницата наШестоаголна прирабница на груба прирабницаможе да ја направи врската поцврста. При затегнување на завртките, тие можат подобро да се вклопат заедно со површината на поврзаниот материјал, зголемувајќи го триењето. Навртките се тешко да се олабават заради вибрации или други надворешни сили.

      Апликација и параметри

      Шестоаголна прирабница на груба прирабницае прилично честа појава во фабриките и фармите. Да речеме дека градите тешка опрема како машини за сечење метали - кога тие големи машини ќе започнат да работат, нивните делови се тресат наоколу и се влечат во сите правци. Тие се како тешки стеги кои ги одржуваат важните делови затегнати, запирајќи ги завртките од тресење лабава кога вибрираат непрестајната машина. Овие завртки ќе ги забележите и на опрема за фарма. Земете трактори кои орат низ калливи полиња - тие скокаат наоколу како луди на нерамномерна земја. Механиката го избира овој производ специјално затоа што нивната груба површинска се зафаќа подобро, спречувајќи врски да се распаднат дури и кога целата машина се тресе како машина за перење полна со тули. Во основа е велкро со индустриска јачина за метални делови.

      НаШестоаголна прирабница на груба прирабницаМоже да се користи и во индустријата за бродоградба. За време на навигацијата, бродовите треба да го издржат влијанието на брановите, вибрациите на трупот, итн. Во бродоградба, тие често се користат за поврзување на делови како што се палубата и преградите на бродовите.

      Употреба на производи

      Имате 'рѓосан замав поставен во дворот?

      НаhЕггон фласо заврткана груба прирабница лесно може да го затегне синџирот на замав на замав. Тие можат цврсто да ги сфатат исушените метални зглобови. Како и да е, децата се во опасност кога ги користат промени.


      Жешки тагови: Шестоаголна прирабница на груба прирабница, Кина, производител, снабдувач, фабрика
      Поврзана категорија
      Испрати барање
      Ве молиме слободно дајте го вашето барање во формата подолу. Ќе ви одговориме за 24 часа.
      X
      We use cookies to offer you a better browsing experience, analyze site traffic and personalize content. By using this site, you agree to our use of cookies. Privacy Policy
      Reject Accept