Клевис Пин
        • Клевис ПинКлевис Пин
        • Клевис ПинКлевис Пин
        • Клевис ПинКлевис Пин
        • Клевис ПинКлевис Пин
        • Клевис ПинКлевис Пин

        Клевис Пин

        Клевис игла е тркалезна игла што се користи за цврсто поврзување на машинските делови заедно. Се користи со игличка и танг, погоден е за предмети што треба да се вртат или шарки. Xiaoguo® е водечки светски извозник специјализиран за обезбедување висококвалитетни сврзувачки елементи за индустриски апликации.
        Модел:SAE J493-1961

        Испрати барање

        Опис на производот

        A клевис иглае важен прицврстувач. Се користи за држење делови заедно во машини каде што треба да се вртат или да се поврзат по права линија. Има тркалезна осовина со дупка издупчена на едниот крај за игла или цепен прстен. Ова го спречува да не успее кога има многу стрес или тешки товари. Дизајнот е едноставен, но тежок, така што е лесно да се стави и извади. Тоа го прави добар избор за поставки каде што треба често да ги прилагодувате работите.

        Овие иглички ќе ги видите многу во врските, контролните системи и тешките машини. Тие одржуваат сè стабилно додека ги оставаат деловите да ротираат или да се движат. Тие се направени по специфични стандарди, така што индустриите на кои им требаат безбедни, долготрајни делови многу се потпираат на нив.

        Тие се користат во врски, контролни системи и тешки машини за да им овозможат на поврзаните делови да се ротираат или да се движат, но да работат стабилно и да не излегуваат од своето место. Ние ги произведуваме нашите иглички според стандардите за квалитет и често се користат во индустрии кои бараат безбедни и издржливи делови.

        clevis pin

        Големина

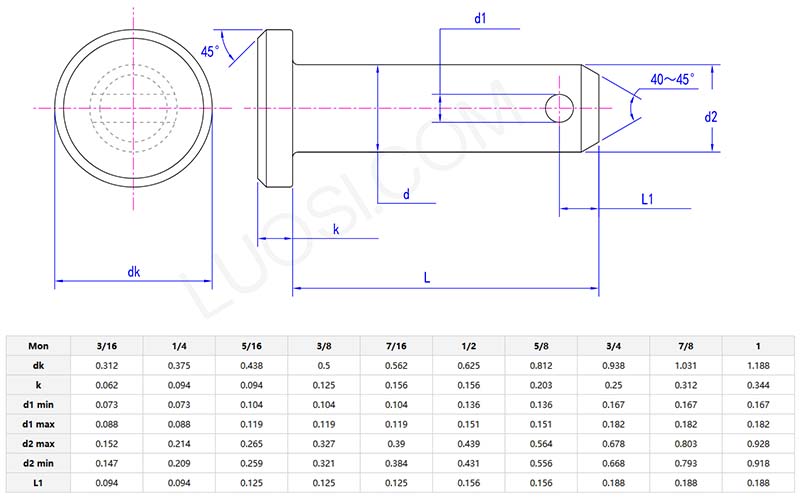
        Клевис игладоаѓаат во стандардни големини: дијаметри од 1/4 инчи до 2 инчи и должина од 0,5 инчи до 12 инчи. Тие ги следат нормите како ASME B18.8.1 или ISO 2341. Ако ви требаат сопствени големини за специјални машини, тие можат да се направат со тесни толеранции, дури и мали од ±0,001 инчи. Дупката низ иглата (за иглата или R-клипот) е прецизно обработена така што совршено се наредени.

        Постојат и метрички и империјални верзии, така што тие работат насекаде во светот. Производителите даваат CAD модели за да помогнат во инженерските дизајни. За поставките што вибрираат многу, постојат опции со набраздени или жлебни површини за да се спречи лизгање на иглата.

        clevis pin parameter

        Заеднички материјали и издржливост

        Нашиоткливис игличкисе направени од висококвалитетен нерѓосувачки челик или јаглероден челик. Игличките од јаглероден челик се термички обработени за да бидат поцврсти и поотпорни на абење. Игличките од нерѓосувачки челик не се лесно да 'рѓосуваат, што е многу погодно за сурови средини. За иглички од јаглероден челик, ќе додадеме цинк или други слоеви против 'рѓа за да ги заштитиме.

        Внимателно ќе ја провериме секоја серија иглички за да се осигураме дека цврстината и големината се конзистентни. На овој начин, тие можат да работат стабилно и долгорочно во апликации како што се механички врски, земјоделски машини или градежна опрема. Ако ви треба специфичен материјал погоден за вашето оптоварување или околина, ве молиме известете нè и можеме да го приспособиме за вас.


        Третман на површината на производот

        Површинските третмани за овие иглички главно се фокусираат на отпорност на 'рѓа и заштита од абење, приспособувајќи ги различните средини за употреба. Најчестиот е облогата со цинк - овој процес обложува тенок слој од цинк на површината, кој ја запира оксидацијата и е исплатлив за општа внатрешна употреба. За надворешни или влажни места, се користи галванизација; подебел е од цинк и подобро се држи против дожд и влага. Некои иглички добиваат третман со црн оксид, што додава темна завршница и блага отпорност на корозија, што често се користи за машински делови на кои не им требаат високи перформанси против 'рѓа. Пасивацијата е уште една опција, главно за иглички од не'рѓосувачки челик за подобрување на нивната природна отпорност на корозија. Процесот на третман ги следи основните индустриски практики, обезбедувајќи добро да се прилепува слојот и да не се олупи лесно. Clevis Pin ја добива вистинската површинска обработка врз основа на неговата намена, така што ги одржува перформансите со текот на времето без дополнително одржување.  

        Спецификации и оценки на производот

        Спецификациите и оценките се разликуваат за да одговараат на различните потреби на апликациите, со јасни стандарди што треба да се следат. Големините се мерат со дијаметар и должина, почнувајќи од мали иглички со дијаметар од 3 mm за лесна употреба до поголеми 20 mm+ за тешки работи. Должината обично опфаќа 10 mm до 150 mm, а некои производители прават сопствени големини на барање. Стилот на главата на пиновите е исто така спецификација - повеќето имаат рамна глава или заоблена глава, со дупка на другиот крај за игла за да се заклучи на своето место. Оценките се однесуваат на јачината на материјалот; вообичаените оценки за иглички од јаглероден челик ги следат стандардите ASTM, а повисоките оценки се користат за носечки апликации. Пиновите од не'рѓосувачки челик често ги следат стандардите на AISI, означени со броеви на материјали како 304 или 316. Секоја игла е означена со неговите спецификации и класа, така што корисниците можат да го изберат вистинскиот. Clevis Pin ги исполнува соодветните стандарди за секое одделение, осигурувајќи дека одговара на оптоварувањето и околината во која се користи, без неусогласени перформанси.




        Жешки тагови: Clevis Pin, Кина, производител, добавувач, фабрика
        Поврзана категорија
        Испрати барање
        Ве молиме слободно дајте го вашето барање во формата подолу. Ќе ви одговориме за 24 часа.
        X
        Ние користиме колачиња за да ви понудиме подобро искуство во прелистувањето, да го анализираме сообраќајот на страницата и да ја персонализираме содржината. Со користење на оваа страница, вие се согласувате со нашата употреба на колачиња. Политика за приватност
        Отфрли Прифати