Оревките за запечатување на јаглерод челик се еден вид прицврстувач што се користи за поврзување на тенки плочи или метали за листови. Тие се изработени од јаглероден челик, калено и гаснење за да се зголеми цврстината, а површината е галванизирана или на друг начин е направена отпорна на корозија.
Оревот за запечатување на запечатување е прилично јасна, можете да користите стандардни пневматски или хидраулични алатки за клининг. Еве како работи: Прво, ставете ја орев во претходно удрена, а потоа користете сет за удар и умирање за да извршите притисок. Die го притиска лимскиот метал околу јаката на клинч на орев, формирајќи цврсто механичко заклучување во еден брз чекор.
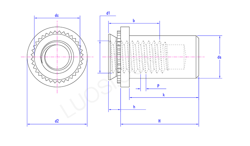
| Пон | М3-1 | М3-2 | М4-1 | М4-2 | М5-1 | М5-2 | М6-1 | М6-2 |
| P | 0.5 | 0.5 | 0.7 | 0.7 | 0.8 | 0.8 | 1 | 1 |
| ДС Макс | 3.84 | 3.84 | 5.2 | 5.2 | 6.35 | 6.35 | 8.75 | 8.75 |
| DC Max | 4.2 | 4.2 | 5.38 | 5.38 | 6.33 | 6.33 | 8.73 | 8.73 |
| Б Мин | 5.3 | 5.3 | 7.1 | 7.1 | 7.1 | 7.1 | 7.8 | 7.8 |
| H Макс | 0.91 | 1.38 | 0.97 | 1.38 | 0.97 | 1.38 | 1.38 | 1.38 |
| H Макс | 9.85 | 9.85 | 11.45 | 11.45 | 11.45 | 11.45 | 14.55 | 14.55 |
| Ч мин | 9.35 | 9.35 | 10.95 | 10.95 | 10.95 | 10.95 | 14.05 | 14.05 |
| К Макс | 8.5 | 8.5 | 9.8 | 9.8 | 9.8 | 9.8 | 12.7 | 12.7 |
| Д2 Макс | 6.6 | 6.6 | 8.2 | 8.2 | 9 | 9 | 11.35 | 11.35 |
| Д2 мин | 6.1 | 6.1 | 7.7 | 7.7 | 8.5 | 8.5 | 10.85 | 10.85 |
| Д1 | М3 | М3 | М4 | М4 | М5 | М5 | М6 | М6 |
Клининг на јаглерод челик запечатување навртки се дефинирани со мерења на клучот: Големина на низата (како M4, M5, M6 или 1/4 "-20), дијаметар на јака од клинч, вкупна висина, димензии на мијалник за запечатување и опсег на дебелина на листот со кои работат (и мин и максимум). Можете да ги добиете во стандардни метрички или империјални навои.
Нивната јачина на клинч (колку добро тие се спротивставуваат на тоа да бидат исфрлени или искривени) се тестира против стандардите во индустријата (мислат ISO, DIN, IFI). Избирањето на вистинската големина е голема работа, се осигура дека заптивката се држи и орев е доволно силна за работата.
За да инсталирате орев за запечатување на јаглероден челик, потребен ви е специјализирана алатка за клининг и сет на умре што точно одговара на големината на орев. Прво, ставете ја навртката во претходно прободена дупка во металот. Тогаш алатката применува контролиран притисок, што го прави пилотот на орев и да се мине во околниот метал. Овој процес на ладно формирање ја заклучува орев од не'рѓосувачки челик за добро и во исто време, ја гуши вградената мијалник за запечатување на панелот. Така создава заптивка за докажување на протекување што ги прави овие ореви уникатни.
